EasyManua.ls Logo

MCS BV 170E - Page 82

Default Icon
104 pages
Print Icon
To Next Page IconTo Next Page
To Next Page IconTo Next Page
To Previous Page IconTo Previous Page
To Previous Page IconTo Previous Page
Loading...
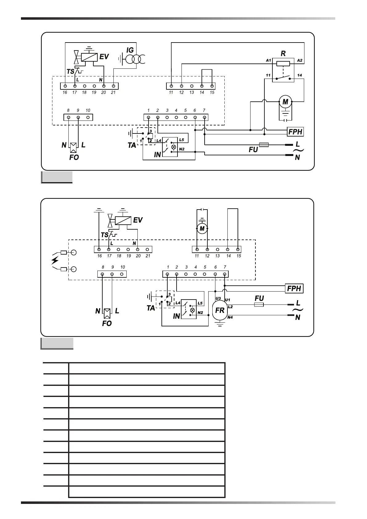
TS
Overheat thermostat - Thermostat de sécurité
EV
Solenoid valve - Électrovalve
IN
Switch - Interrupteur
M
Motor - Moteur
FPH
Fuel pre-heater - Filtre préchauffage
FU
Fuse - Fusée
TA
Room thermostat - Thermostat d’ambiance
FO
Photoresistance - Photorésistance
FR
Filter noise - Filtre réseau
R
Relay - Relais
L
Line - Ligne
N
Neutral - Neutraal
WIRING DIAGRAMS - SCHEMAS ELECTRIQUES
BV 77E
B 230

Table of Contents

Related product manuals