EasyManua.ls Logo

Mendota ML47-PF2 - Ml47 Gas Ignition System Wiring Diagram

Mendota ML47-PF2
68 pages
Print Icon
To Next Page IconTo Next Page
To Next Page IconTo Next Page
To Previous Page IconTo Previous Page
To Previous Page IconTo Previous Page
Loading...
60 | P a g e
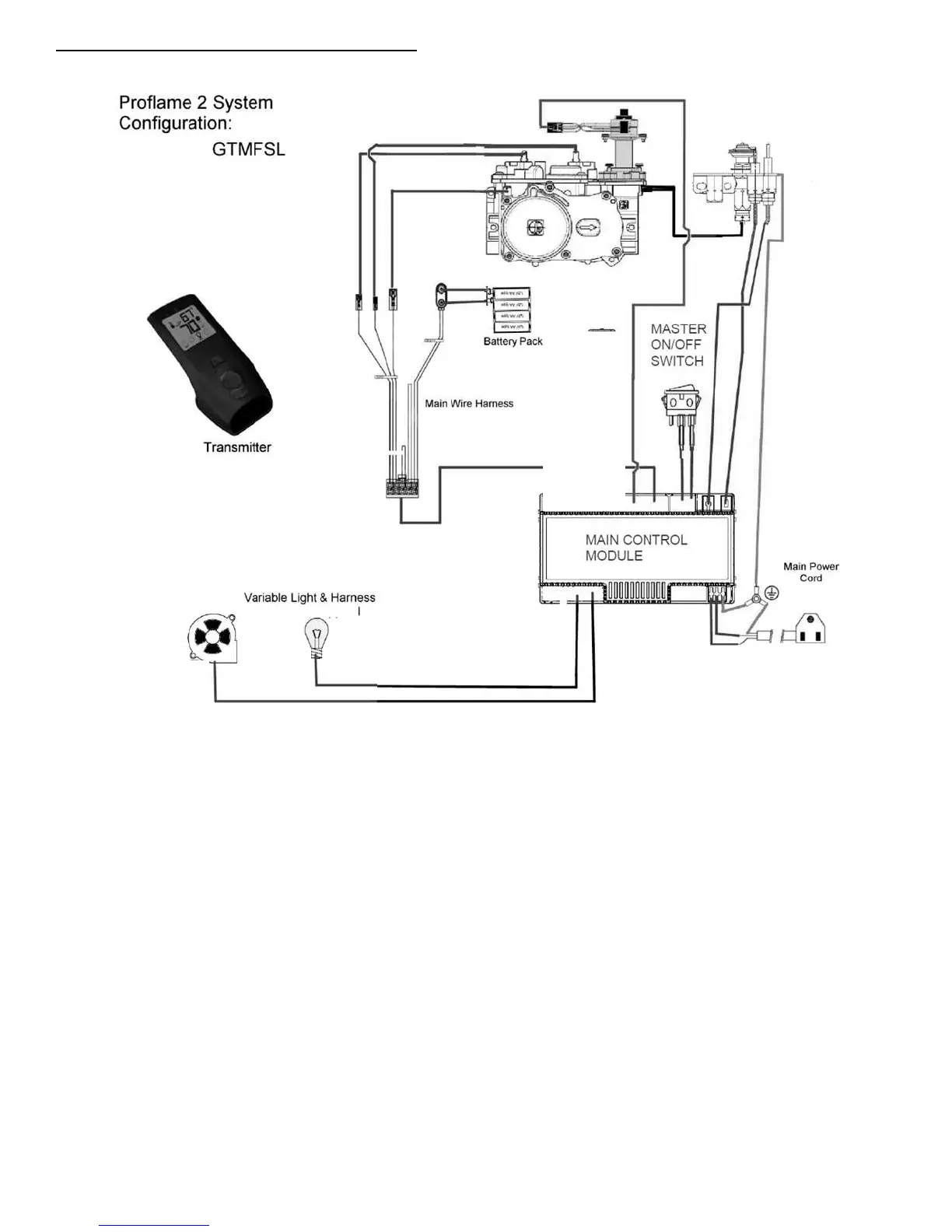
ML47 GAS IGNITION SYSTEM WIRING DIAGRAM
The appliance must be electrically connected and grounded in accordance with local codes or, in the absence of local
codes, with the current NFPA 70-National Electric Code or CSA C22.1-Canadian Electrical Code.
Caution: Label all wires prior to disconnection when servicing controls. Wiring errors can cause improper and danger-
ous operation” and “Verify proper operation after servicing.”
Attention: Au moment de l’entretien des commandes, étiquetez tous les fils avant le débranchement. Des erreurs de
cblage peuvent entraun fonctionnement inadéquat et dangereux.” “S’assurer que l’appareil fonctionne
adéquatement une fois l’entretien terminé.
Optional Fan Kit

Table of Contents

Related product manuals