EasyManua.ls Logo

Merging Horus - Horus Modules Interconnection Diagram

Merging Horus
76 pages
Print Icon
To Next Page IconTo Next Page
To Next Page IconTo Next Page
To Previous Page IconTo Previous Page
To Previous Page IconTo Previous Page
Loading...
www.merging.com/horus Page 11
Horus User Manual
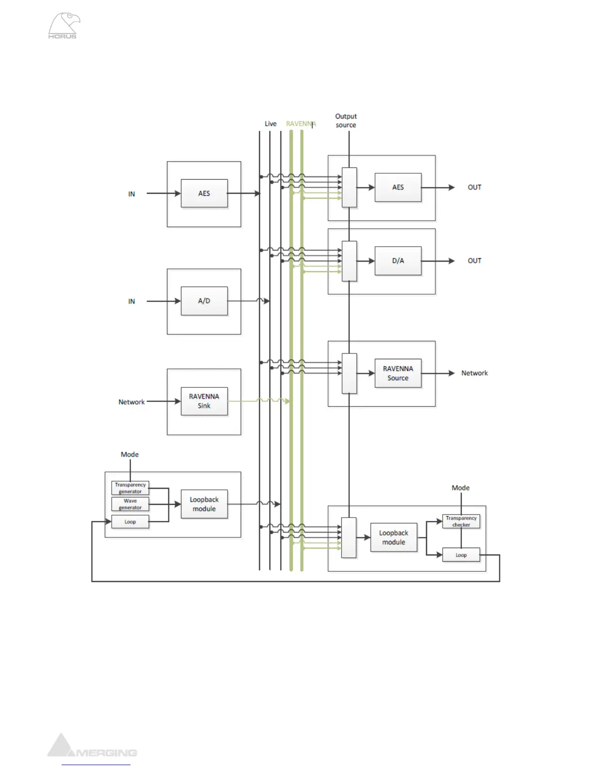
HORUS MODULES INTERCONNECTION DIAGRAM

Other manuals for Merging Horus

Related product manuals