EasyManua.ls Logo

MGC INX-10A Series - 7.2.9 Relay Contact Activation from FACP - Two Stage

MGC INX-10A Series
104 pages
Print Icon
To Next Page IconTo Next Page
To Next Page IconTo Next Page
To Previous Page IconTo Previous Page
To Previous Page IconTo Previous Page
Loading...
86
Wiring
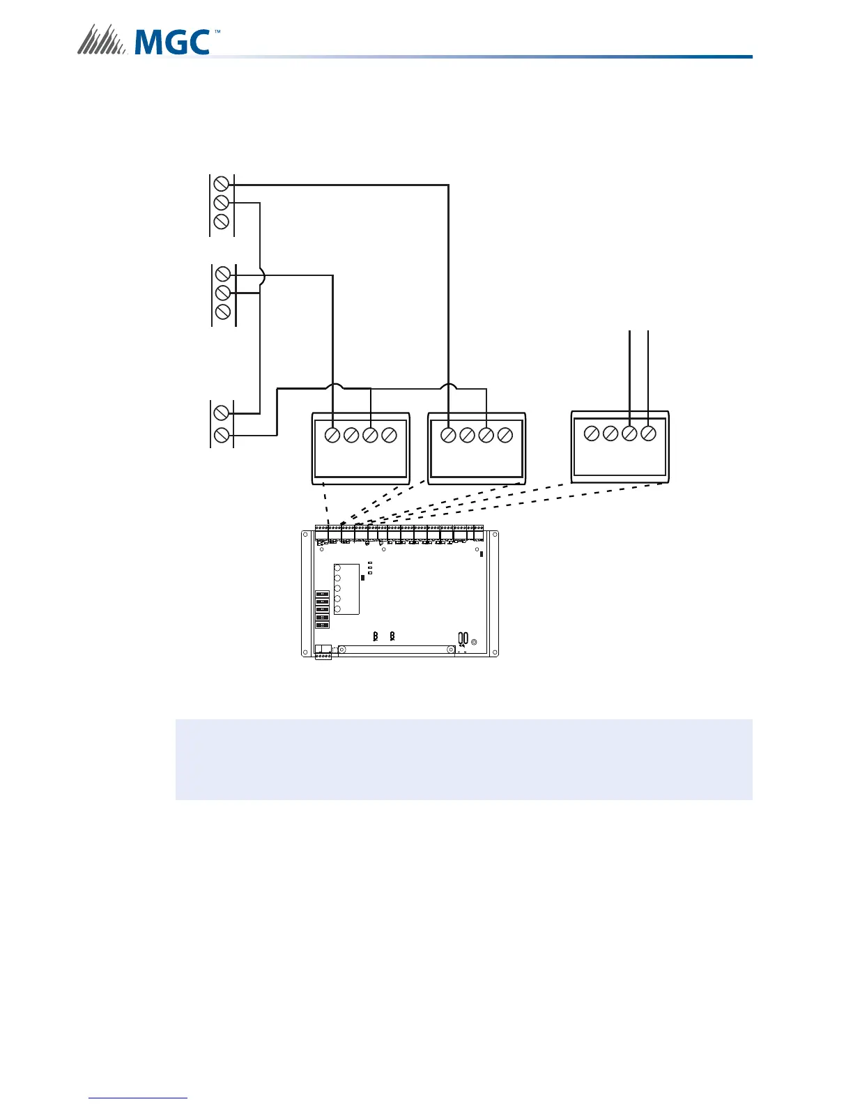
7.2.9 Relay Contact Activation from FACP - Two Stage
Figure 49 Relay Contact Activation from FACP - Two Stage
Attention: DO NOT USE AN SLC LOOP IN THIS APPLICATION.
Disable the addressable loop by setting DIP switch SW1 to all 0 (OFF).
RELAY CONTACT ACTIVATION FROM FACP - TWO STAGE
-
+ +
--
SYNCH INPUT1
1
8
1
8
1
8
1
8
1
8
POWER ON
ADD. LINE
ACTIVITY/
ALARM
COMMON
TROUBLE
CPU FAIL
BATTERY/
CHARGER
TROUBLE
JW1
P
P3 P4 P1 P2
AUX OUTPUT TROUBLE
SYNCH. OUT TROUBLE
GFAULT
JW2
MAIN DISPLAY PANEL
ACK.
BUTTON
FACP
Second Stage
Alarm
Relay
COM
NO
NC
+
-
Aux
Power
TROUBLE RELAY
NONC CP
To FACP input
congured for
trouble
FACP
First Stage
Alarm
Relay
COM
NO
NC
-
+ +
--
SYNCH INPUT2
!

Table of Contents