EasyManua.ls Logo

Microscan MicroHAWK MV-20 - Page 37

Microscan MicroHAWK MV-20
108 pages
Print Icon
To Next Page IconTo Next Page
To Next Page IconTo Next Page
To Previous Page IconTo Previous Page
To Previous Page IconTo Previous Page
Loading...
I/O Wiring
System Components
2
MicroHAWK MV-20 / MV-30 / MV-40 Smart Camera Guide 2-21
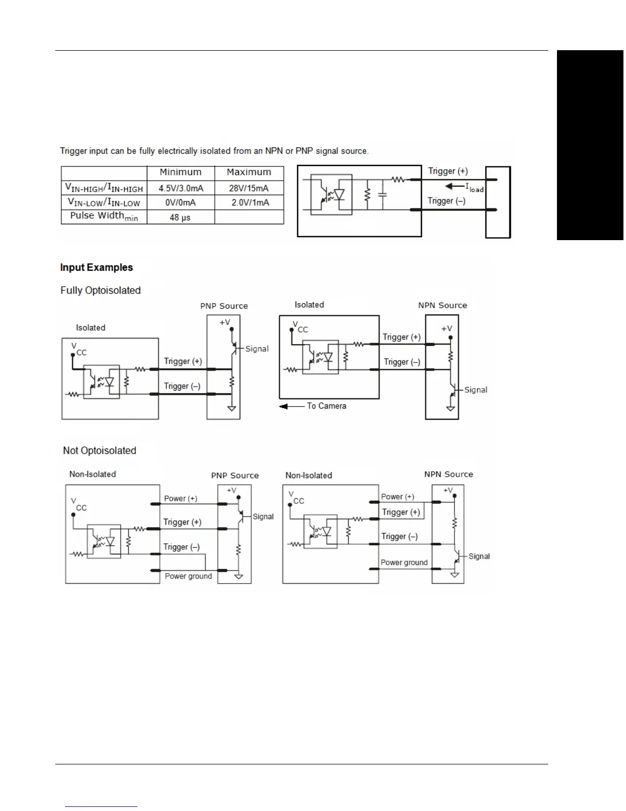
Optoisolator Trigger Inputs for IC-332 (MV-30)

Other manuals for Microscan MicroHAWK MV-20

Related product manuals