EasyManua.ls Logo

Microscan MicroHAWK MV-20 - Page 38

Microscan MicroHAWK MV-20
108 pages
Print Icon
To Next Page IconTo Next Page
To Next Page IconTo Next Page
To Previous Page IconTo Previous Page
To Previous Page IconTo Previous Page
Loading...
Chapter 2 System Components
2-22 MicroHAWK MV-20 / MV-30 / MV-40 Smart Camera Guide
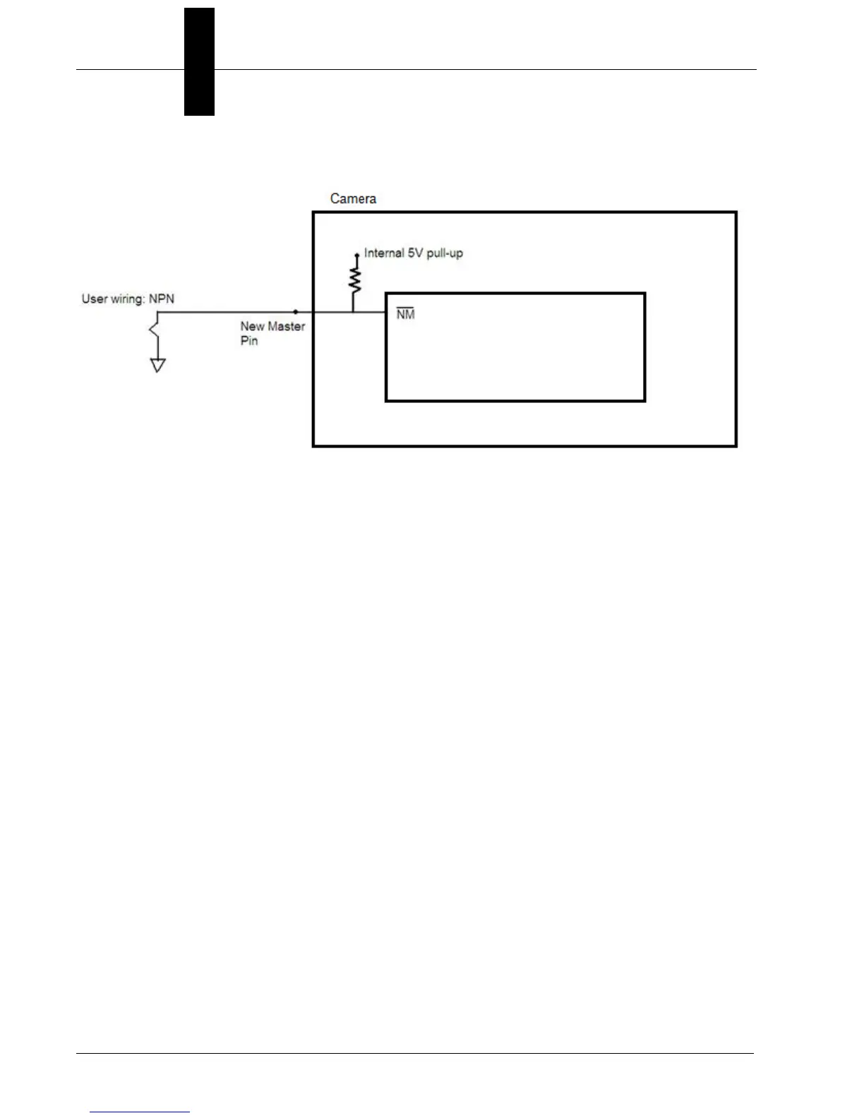
New Master Pin (MV-30)

Other manuals for Microscan MicroHAWK MV-20

Related product manuals