EasyManua.ls Logo

Microscan MicroHAWK MV-20 - Page 39

Microscan MicroHAWK MV-20
108 pages
Print Icon
To Next Page IconTo Next Page
To Next Page IconTo Next Page
To Previous Page IconTo Previous Page
To Previous Page IconTo Previous Page
Loading...
I/O Wiring
System Components
2
MicroHAWK MV-20 / MV-30 / MV-40 Smart Camera Guide 2-23
MicroHAWK MV-40
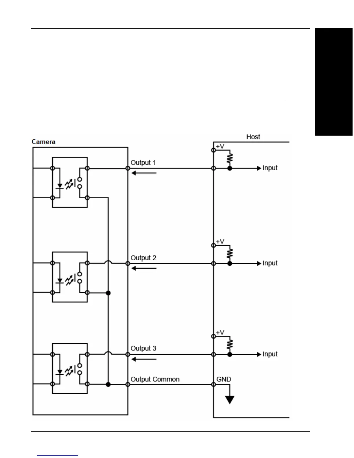
Optoisolated Outputs (MV-40)
The camera has optoisolated outputs that can transfer signals from the camera to
peripherals. Outputs can be configured as either NPN or PNP, but NPN and PNP cannot
be mixed in a system, because the output common is shared by all outputs.
NPN Output for Host Input (MV-40)

Other manuals for Microscan MicroHAWK MV-20

Related product manuals