EasyManua.ls Logo

Microscan MicroHAWK MV-20 - Page 87

Microscan MicroHAWK MV-20
108 pages
Print Icon
To Next Page IconTo Next Page
To Next Page IconTo Next Page
To Previous Page IconTo Previous Page
To Previous Page IconTo Previous Page
Loading...
MV-30 Cables
Cable Specifications
B
MicroHAWK MV-20 / MV-30 / MV-40 Smart Camera Guide B-7
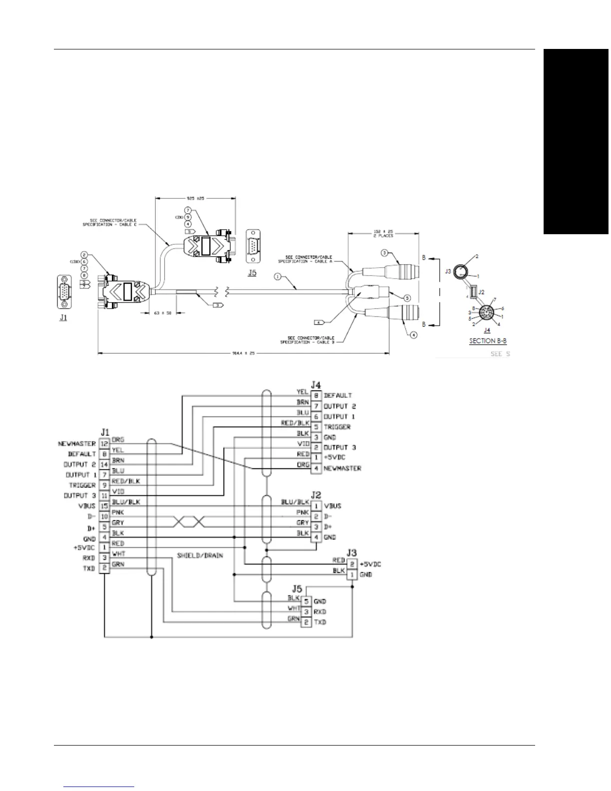
61-9000102-01 DB15 to USB/RS-232 Triggered Cable
The 61-9000102-01 DB15 to USB/RS-232 triggered cable is a cable with one end a 9-pin
(J5) and a 15-pin D-Sub socket connector (J1), and the other end a USB (J2) extended
with a 2-pin socket (J3) and an 8-pin socket (J4) connector. This cable is used for RS-232
applications with I/O for line stop or result indications.

Other manuals for Microscan MicroHAWK MV-20

Related product manuals