EasyManua.ls Logo

Middleby Marshall PS540 (Double) - Section 7 Electrical Schematics; Wiring Diagram, E208-240 50;60, 3 PH 4 W PS540

Middleby Marshall PS540 (Double)
72 pages
Print Icon
To Next Page IconTo Next Page
To Next Page IconTo Next Page
To Previous Page IconTo Previous Page
To Previous Page IconTo Previous Page
Loading...
63
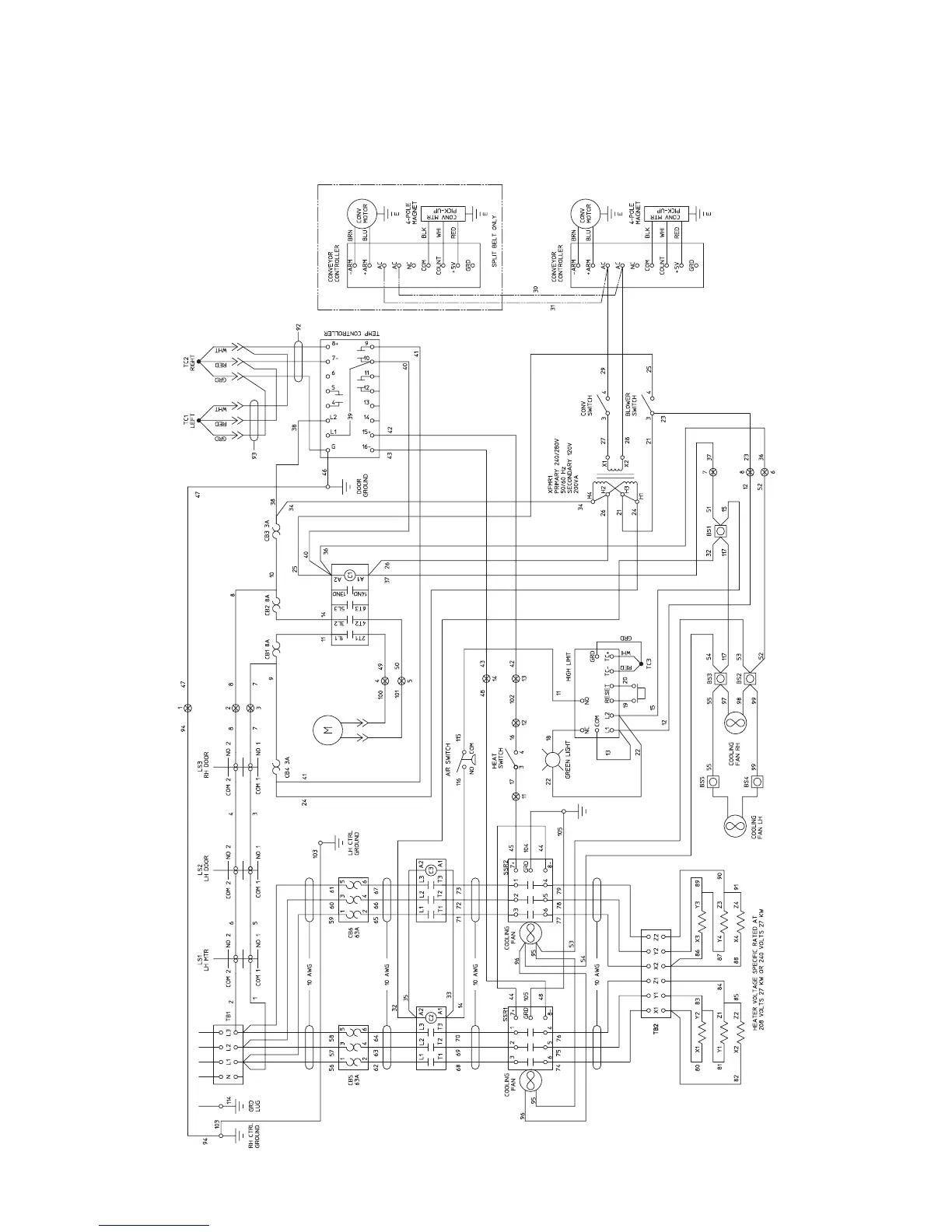
SECTION 7
ELECTRICAL SCHEMATICS
SECTION 7
ELECTRICAL SCHEMATICS
Wiring Diagram, E208-240 50/60, 3PH 4W PS540ES
50466C

Table of Contents

Related product manuals