EasyManua.ls Logo

Middleby Marshall PS540 (Double) - Wiring Diagram, E380-480 50;60, 3 PH 5 W PS540

Middleby Marshall PS540 (Double)
72 pages
Print Icon
To Next Page IconTo Next Page
To Next Page IconTo Next Page
To Previous Page IconTo Previous Page
To Previous Page IconTo Previous Page
Loading...
SECTION 7
ELECTRICAL SCHEMATICS
64
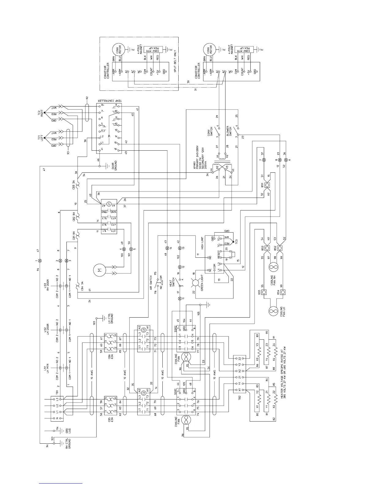
Wiring Diagram, E380-480 50/60, 3PH 5W PS540ES
50140C

Table of Contents

Related product manuals