EasyManua.ls Logo

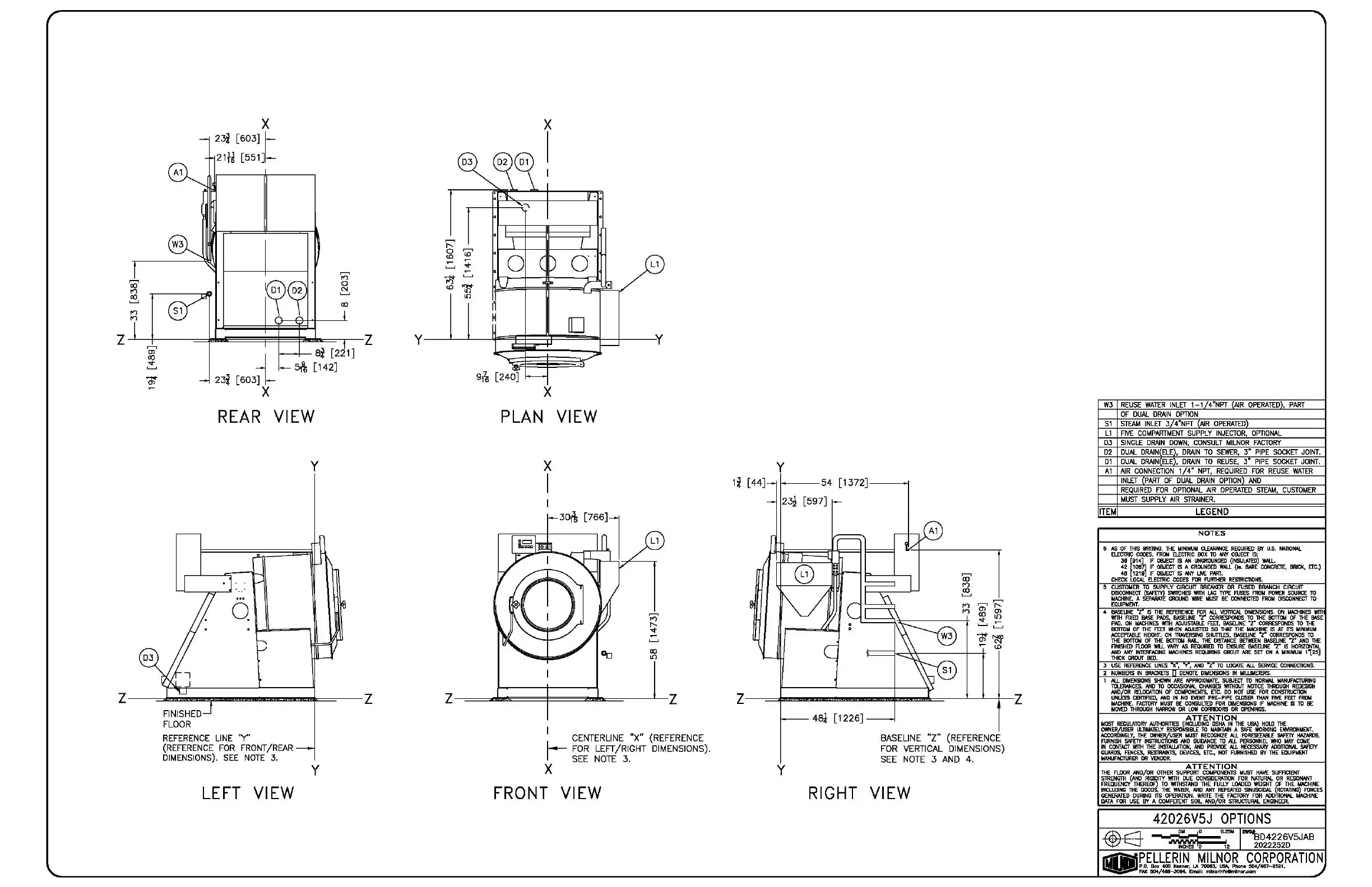
Milnor 36021 - BD4226 V5 JAB;2022252 - 42026 V5 J (Options)

Milnor 36021
56 pages
Print Icon
To Next Page IconTo Next Page
To Next Page IconTo Next Page
To Previous Page IconTo Previous Page
To Previous Page IconTo Previous Page
Loading...

Table of Contents

Other manuals for Milnor 36021

Related product manuals