EasyManua.ls Logo

Mindeo ME5066 - Structure Design; Dimensions

Mindeo ME5066
23 pages
Print Icon
To Next Page IconTo Next Page
To Next Page IconTo Next Page
To Previous Page IconTo Previous Page
To Previous Page IconTo Previous Page
Loading...
3
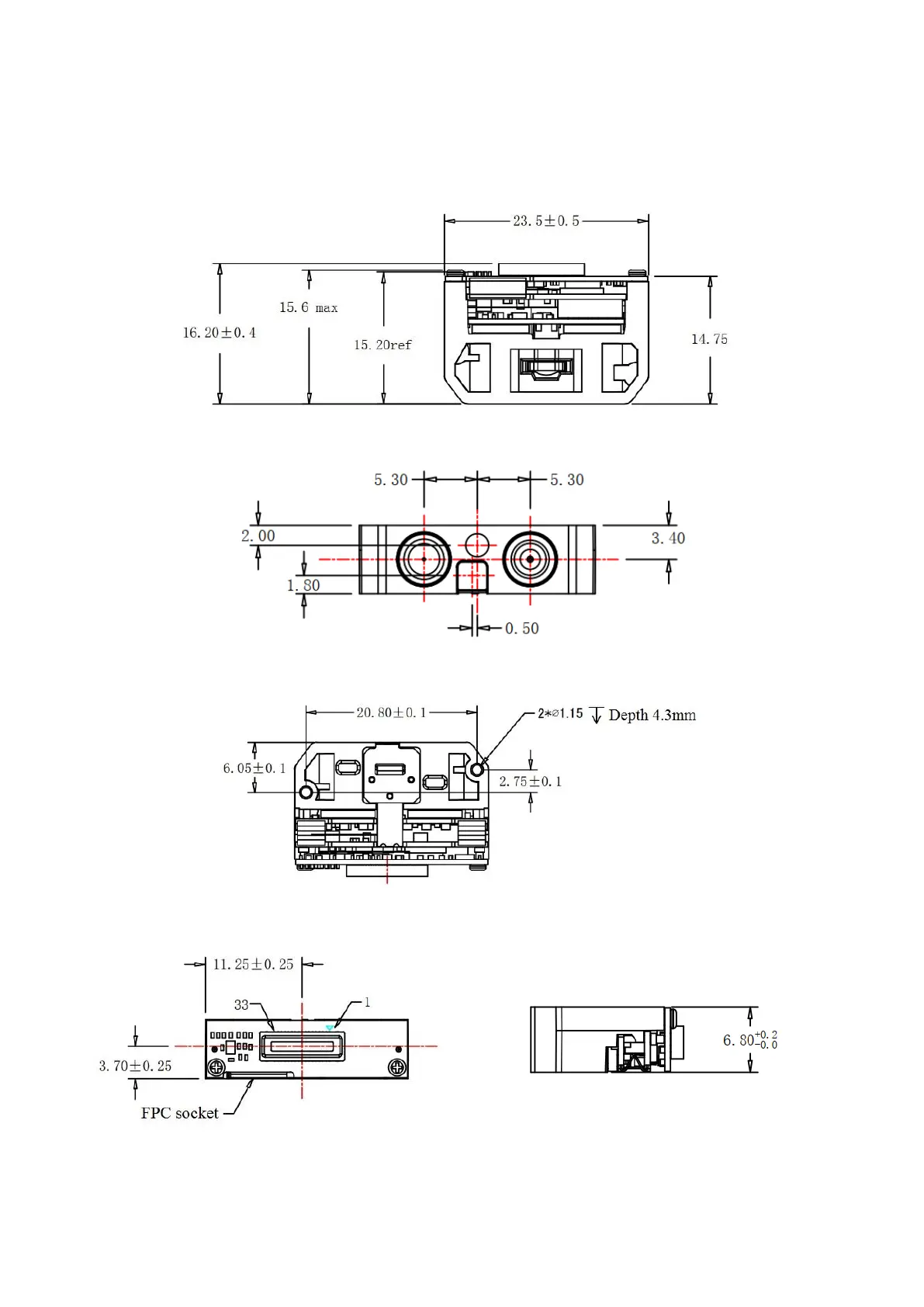
2 Structure design
2-1 Dimensions
Unit: mm
Top view
Front view
Bottom view
Back view
Side view

Related product manuals