EasyManua.ls Logo

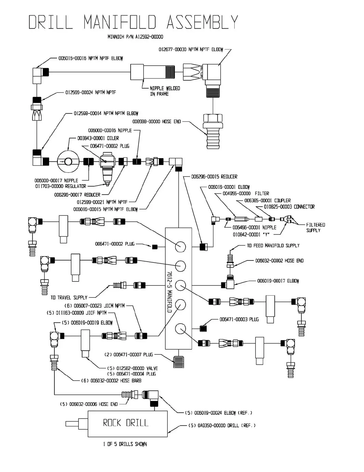
Minnich A-4SC - Drill Manifold Assembly A12592-00000

Minnich A-4SC
55 pages
Print Icon
To Next Page IconTo Next Page
To Next Page IconTo Next Page
To Previous Page IconTo Previous Page
To Previous Page IconTo Previous Page
Loading...
- 30 -
Form: MM-
A
4/A5SC Revised 07/13/16

Related product manuals