EasyManua.ls Logo

Mircom FX-3500 - Figure 3 Main Board with All Adder Modules Installed

Mircom FX-3500
112 pages
Print Icon
To Next Page IconTo Next Page
To Next Page IconTo Next Page
To Previous Page IconTo Previous Page
To Previous Page IconTo Previous Page
Loading...
25
Installation
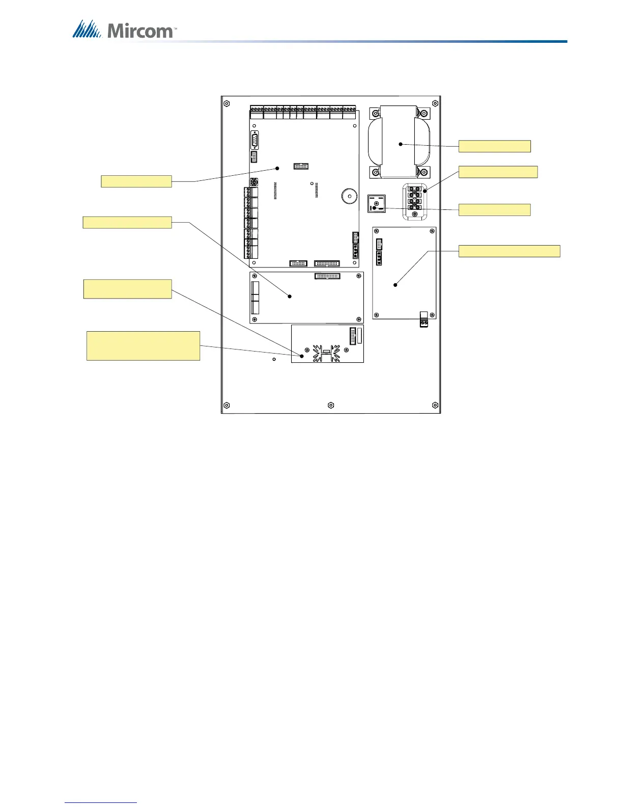
Figure 3 Main Board with all Adder Modules Installed
Rectifier Bridge
MD-1011 Power Supply Board
ALC-636 Dual Loop Adder
PR-300 Polarity Reversal
And City Tie Module
FX-3500 Main Board
TR-063A Transformer
Barrier Terminal Block
Note:
The PCS-100 mounts in the same
position as the PR-300.

Table of Contents

Related product manuals