EasyManua.ls Logo

Mitsubishi QD75P1N - Outline Design of Positioning System

Mitsubishi QD75P1N
858 pages
To Next Page IconTo Next Page
To Next Page IconTo Next Page
To Previous Page IconTo Previous Page
To Previous Page IconTo Previous Page
Loading...
1 - 9
MELSEC-Q
1 PRODUCT OUTLINE
1.1.4 Outline design of positioning system
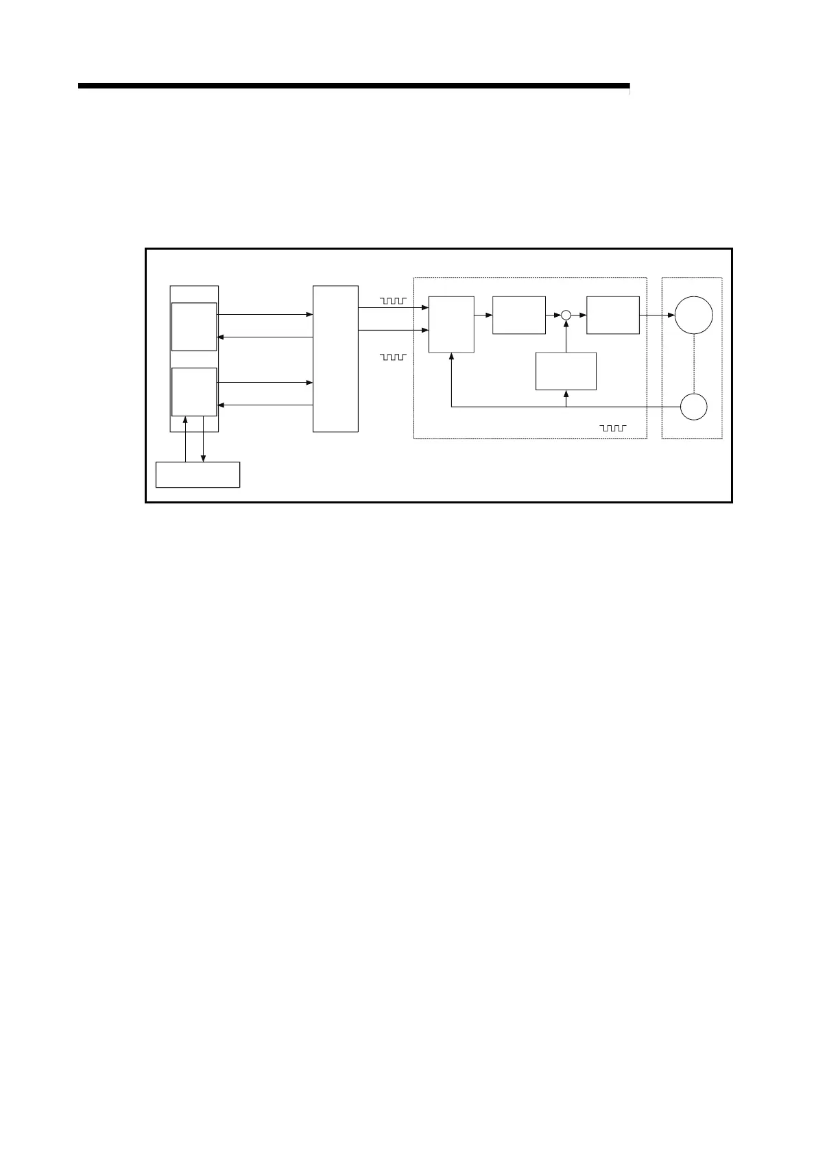
The outline of the positioning system operation and design, using the QD75, is shown
below.
(1) Positioning system using QD75
M
PLG
Forward run
pulse train
Reverse run
pulse train
Drive unit
Servomotor
Devia-
tion
counter
D/A
converter
Speed
command
Interface
Feedback pulse
Positioning module
QD75
Setting
data
CPU module
Program
Read, write, etc.
GX Configurator-QP
Read, write, etc.
Read, write, etc.
Peripheral
devices
interface
Servo
amplifier
Fig. 1.2 Outline of the operation of positioning system using QD75
(a) Positioning operation by the QD75
1) The QD75 output is a pulse train.
The pulse train output by the QD75 is counted by and stored in the
deviation counter in the drive unit.
The D/A converter outputs an analog DC current proportionate to the
count maintained by the deviation counter (called "pulse droop"). The
analog DC current serves as the servomotor speed control signal.
2) The motor rotation is controlled by the speed control signal from the
drive unit.
As the motor rotates, the pulse encoder (PLG) attached to the motor
generates feedback pulses, the frequency of which is proportionate to
the rotation speed.
The feedback pulses are fed back to the drive unit and decrements the
pulse droop, the pulse count maintained by the deviation counter.
The motor keeps on rotating as the pulse droop is maintained at a
certain level.
3) When the QD75 terminates the output of a pulse train, the motor
decelerates as the pulse droop decreases and stops when the count
drops to zero.
Thus, the motor rotation speed is proportionate to the pulse frequency,
while the overall motor rotation angle is proportionate to the total
number of pulses output by the QD75.
Therefore, when a movement amount per pulse is given, the overall
movement amount can be determined by the number of pulses in the
pulse train.
The pulse frequency, on the other hand, determines the motor rotation
speed (feed speed).

Table of Contents

Related product manuals