EasyManua.ls Logo

MOOV MR550 - 3.3.4 Installation Layout

MOOV MR550
49 pages
Print Icon
To Next Page IconTo Next Page
To Next Page IconTo Next Page
To Previous Page IconTo Previous Page
To Previous Page IconTo Previous Page
Loading...
13
around the unit for servicing and maintenance operations.
The unit must not be installed in an area exposed to oil, flammable gases, corrosive products,
or close to high frequency equipment.
To prevent mud splashes, do not install the unit near a road or track.
To avoid causing nuisance to neighbors, make sure the unit is installed so that it is positioned
towards the area that is least sensitive to noise.
Keep the unit as much as possible out of the reach of children.
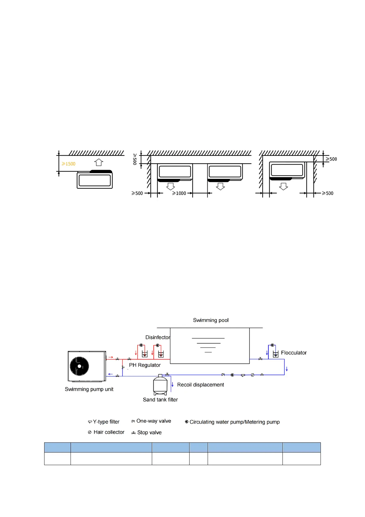
Installation space:
Unit: mm
Do not put anything less than one meter in front of the heat pump.
Leave 500 mm of empty space on the sides and back of the heat pump and free ventilation above
Do not leave any obstacles above or in front of the device!
3.3.4 Installation Layout
Notice:The filter must be cleaned regularly to ensure that water in the system is clean and avoid
blocking of filter. It is necessary that drainage valve is fixed on the lower water pipe. If the unit is
not running during winter months, please disconnect power supply and let out drain water from
unit through drainage valve. If ambient temperature of running unit is below 0, please keep
water pump running.
The installation diagram is shown in the following figure:
No.
Item
Quantity
No.
Item
Quantity
1 Swimming Pump Unit 1 7 PH Regulator 1

Table of Contents