EasyManua.ls Logo

Motec SDL3 - Mounting Dimensions

Motec SDL3
76 pages
Print Icon
To Next Page IconTo Next Page
To Next Page IconTo Next Page
To Previous Page IconTo Previous Page
To Previous Page IconTo Previous Page
Loading...
50 Appendices
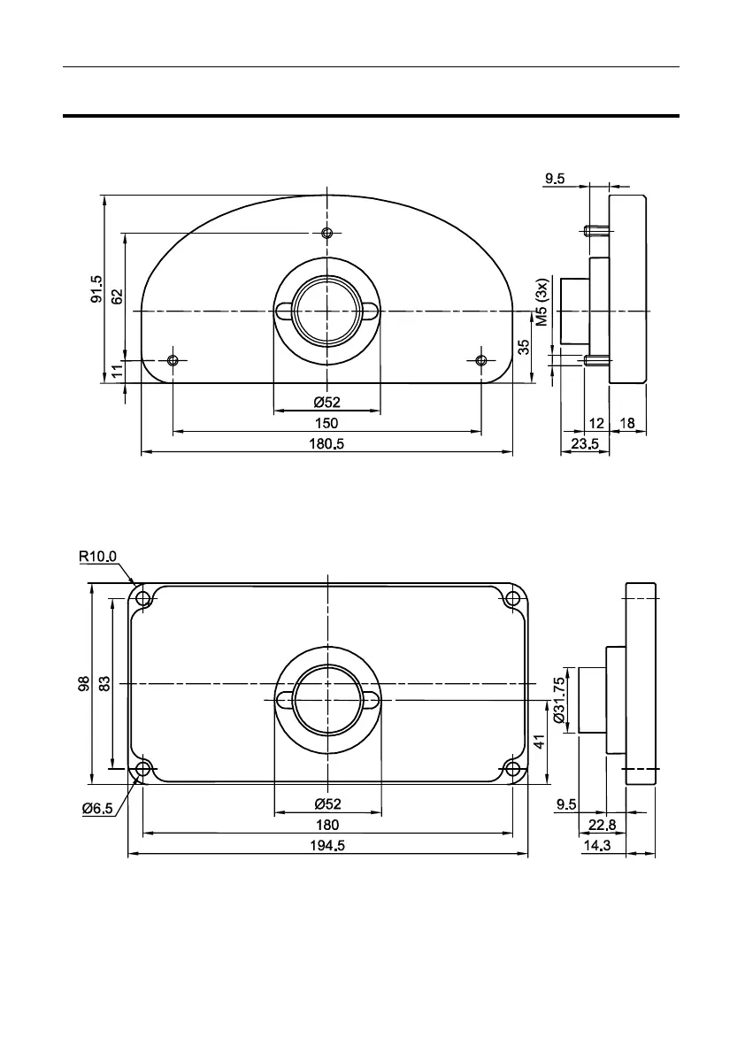
Mounting Dimensions
SDL3
ESDL3
Note:
All dimensions in [mm]
Ensure product is not stressed when mounted
Dimensions indicate actual product size, allow for clearance when
mounting

Related product manuals