EasyManua.ls Logo

Motorola StarTAC 3000 - Phone Options and System Settings

Motorola StarTAC 3000
82 pages
To Next Page IconTo Next Page
To Next Page IconTo Next Page
To Previous Page IconTo Previous Page
To Previous Page IconTo Previous Page
Loading...
G
H
Alert
ON
Alert
OFF
0V
0V
2.1V
2.7V
I
0V
4.1V
C
D
E
F
No
Headset
Headset
0V
2.75V
0V
2V
2V
0V
2.75V
0V
Q740
Q680
R743
Q681
R680
R681
R766
R767
C765
Q760
C763
R761
U760
R760
LOG_2.75
U800-79
P800
HEADSET MIC
AUDIO_CNT
HEADSET_EN
MIC_BIAS
B+
ALERT_EN
ALERT_OUT
C761
RING_OUT
HEADSET DETECT
37
C741
J600-2
19
U601-4
40
U601-9
U700-37
28
54
P800
U520-14
ALERT
C
D
E
F
G
H
I
page B-18
page B-19
page B-11
page B-11
page B-9
page B-18
page B-18
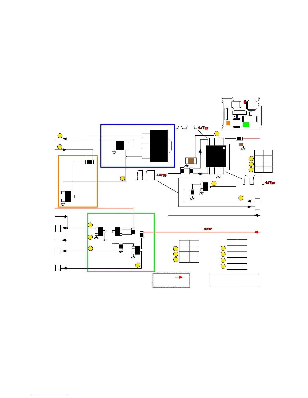
StarTAC 3000: Alert/Headset/
Back Light Control
VOLTAGE SUPPLIES
Colored boxes represent the area in
which the components are placed.
Motorola Confidential Proprietary
This manual is Motorola property. Copying or
distribution strictly prohibited without prior written
consent from Motorola and must be returned upon
Motorola's request.
B-16
P800
P800
R922
Q921
R921
Q922
BKLT CNTRL
U700-17
page B-18
BK LT
LED'S
A
B
Backlight
ON
2.69V
0V
1.96V
2.57V
Backlight
OFF
A
B
G
G
0V
.69V

Other manuals for Motorola StarTAC 3000

Related product manuals