EasyManua.ls Logo

MR VACUTAP - Page 92

MR VACUTAP
96 pages
Print Icon
To Next Page IconTo Next Page
To Next Page IconTo Next Page
To Previous Page IconTo Previous Page
To Previous Page IconTo Previous Page
Loading...
A1
© MASCHINENFABRIK REINHAUSEN GMBH 2014
DIMENSION
IN mm
EXCEPT AS
NOTED
DOCUMENT NO.
STAND.
CHANGE NO.
DFTR.
CHKD.
SHEET
DATE
(STANDARD DESIGNS)
-
SED 5705761 001 00
1
101122200E
STEPHAN
17.10.2017
1:1
1084404
SCALE
NAME
/
STREMPEL17.10.2017
MATERIAL NUMBER
SERIAL NUMBER
17.10.2017
PRODASTSCHUK
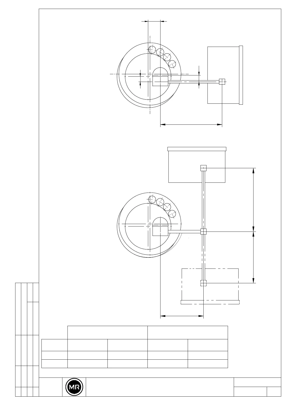
ON-LOAD TAP-CHANGER VACUTAP® VVS®
HORIZONTAL DRIVING SHAFT
1
THE REPRODUCTION, DISTRIBUTION AND UTILIZATION OF THIS DOCUMENT AS WELL AS THE COMMUNICATION OF ITS CONTENTS TO OTHERS WITHOUT EXPRESS AUTHORIZATION IS
PROHIBITED. OFFENDERS WILL BE HELD LIABLE FOR THE PAYMENT OF DAMAGES. ALL RIGHTS RESERVED IN THE EVENT OF THE GRANT OF A PATENT, UTILITY MODEL OR DESIGN.
130
STANDARD DESIGN
(STRAIGHT DRIVE)
ARRANGEMENT H1
MINIMUM DIMENSIONS
G4 400
INTERMEDIATE BEARING REQUIRED FOR
H2H2
G 9
G9, G10 400
ARRANGEMENT G4
G 10
ARRANGEMENT G9, G10
(SPECIAL DESIGN)
H1
H1
55
68,5
H1 MAY BE REALIZED AS MINIMUM
DIMENSIONS, POSSIBLY INCREASED BY A CERTIAN
POSITION OF THE UPPER GEAR UNIT.
ATTENTION:
H1
2254
>
2309
>
H2
H2
400
2259
_______ _______

Table of Contents

Related product manuals