EasyManua.ls Logo

MSI H61MA-E35 (B3) - Component Identification Guide

MSI H61MA-E35 (B3)
58 pages
Print Icon
To Next Page IconTo Next Page
To Next Page IconTo Next Page
To Previous Page IconTo Previous Page
To Previous Page IconTo Previous Page
Loading...
2-2
Hardware Setup
MS-7740
Chapter 2
Hardware Setup
MS-7740
Chapter 2
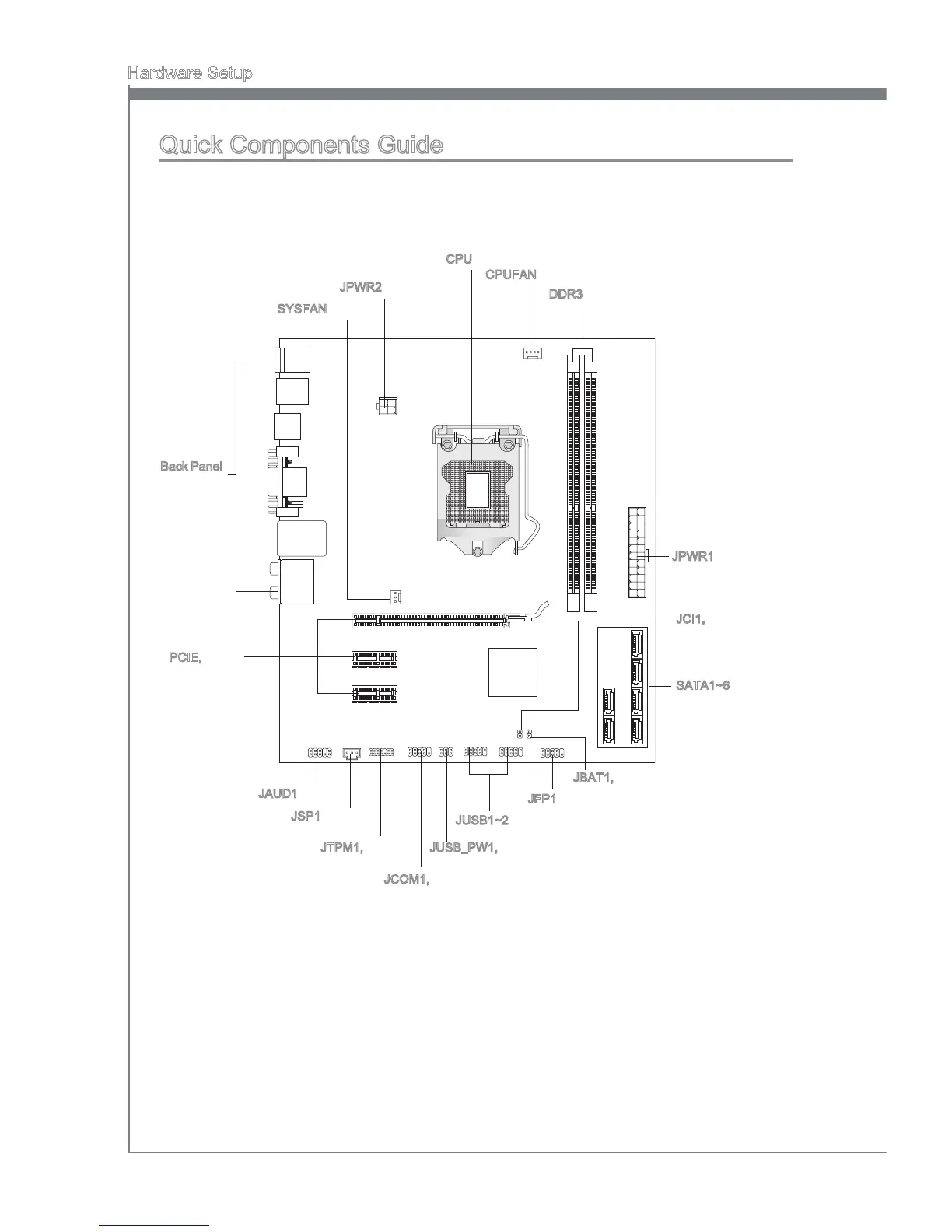
Quck Components Gude
Back Panel,
p.2-10
CPU, p.2-4
CPUFAN, p.2-13
DDR3, p.2-7
JPWR2, p.2-9
PCIE, p.2-18
SYSFAN, p.2-13
JAUD1, p.2-14
JSP1, p.2-15
JUSB1~2, p.2-14
JFP1, p.2-13
SATA1~6, p.2-12
JPWR1, p.2-9
JBAT1, p.2-17
JCI1, p.2-12
JCOM1, p.2-15
JTPM1, p.2-16 JUSB_PW1, p.2-17

Related product manuals