EasyManua.ls Logo

MULTIQUIP LD6 - Page 49

MULTIQUIP LD6
56 pages
Print Icon
To Next Page IconTo Next Page
To Next Page IconTo Next Page
To Previous Page IconTo Previous Page
To Previous Page IconTo Previous Page
Loading...
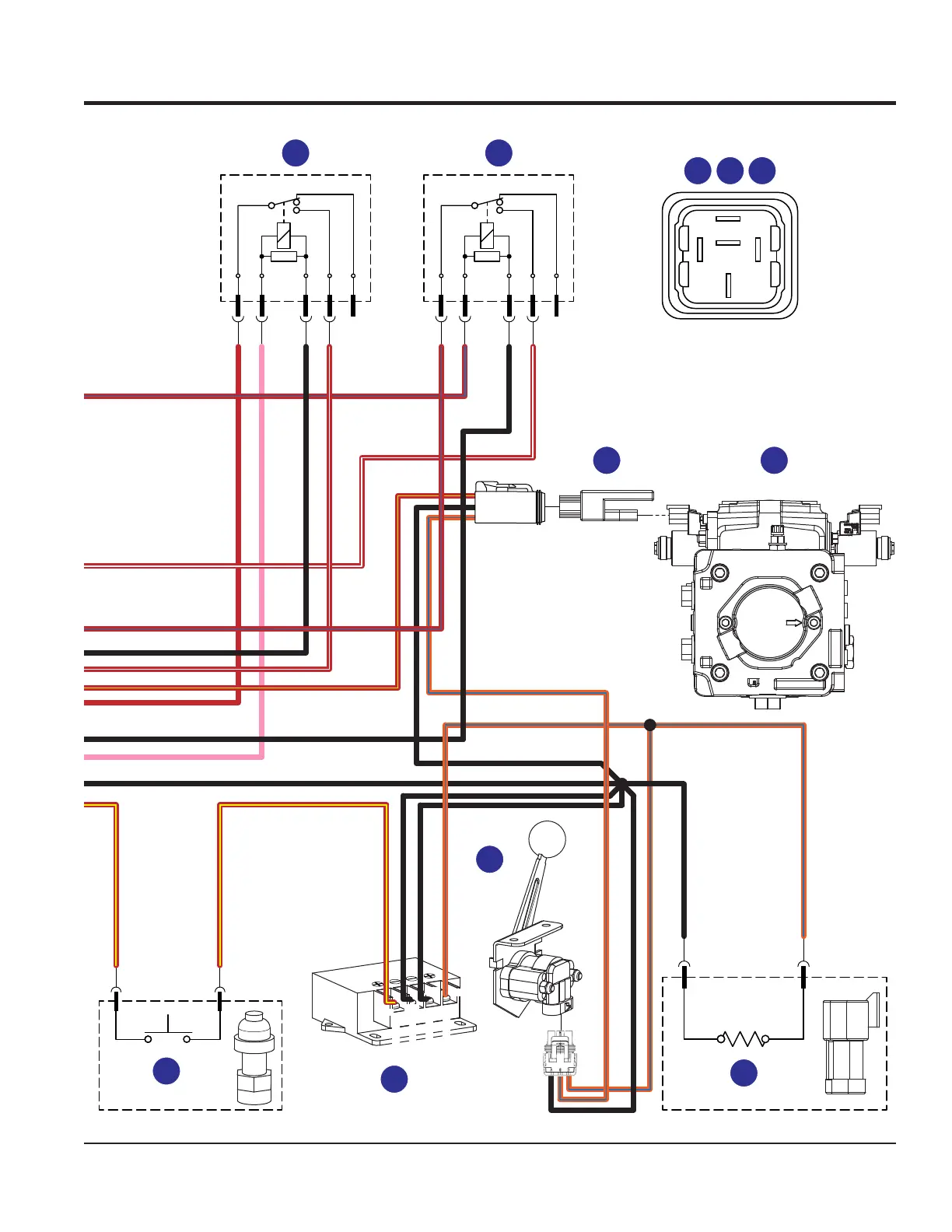
LD6 RIDE-ON POWER TROWEL • OPERATION MANUAL — REV. #0 (02/10/20) — PAGE 49
ELECTRICAL WIRING DIAGRAM
87
86 85
30
87a
GND KILL RELAY
Y
FUSE BLOCK
G
HYDRAULIC COOLER
AA
IGNITION RELAY COOLER FAN RELAY
HYDRAULIC PUMP
K
AMPLIFIER
M
P1
30
COOLER FAN PWR
85
COOLER FAN SWITCH
87A
87
COOLER FAN SWD PWR
86
GND
P2
30
BATT+
85
IGN
87A
87
SWITCHED BATT+
86
GND
3
2
1
4
5
6
IGN
P1
KEY SWITCH
REAR VIEW
A
IGN
GND
3
2
T14
T13
3
2
1
HOUR METER
Z
SPEED
LEVER
F
DC CONVERTER
N
EE
TYPICAL
RELAY
YV
W
T8
T6
T5
T7
T3
T2
T4
T1
P5
FUSE 1
5A
FUSE 2
20A
FUSE 3
5A
FUSE 4
10A
P7
P11
30
GND
85
IGN
87A
87
86
GND
GND
P3
5V POWER
GND
18 AWG
RED
14 AWG
RED
18 AWG
RED/YELLOW
18 AWG
RED/BLUE
16 AWG RED/BLUE
16 AWG RED/YELLOW
18 AWG
RED/BLUE
18 AWG
RED/BLUE
16 AWG
RED/WHITE
16 AWG
BLACK
16 AWG
RED/WHITE
16 AWG
RED/WHITE
18 AWG
RED/WHITE
14 AWG
RED/WHITE
18 AWG
ORANGE/BLUE
18 AWG
ORANGE/BLUE
18 AWG
ORANGE/BLUE
18 AWG
RED/PINK
18 AWG
BLACK
18 AWG
BLACK
18 AWG
BLACK
18 AWG
BLACK
14 AWG
BLACK
18 AWG
BLACK
18 AWG
BLACK
18 AWG
BLACK
18 AWG
BLACK
18 AWG
BLACK
18 AWG
BLACK
18 AWG
PINK
T10
T9
T11
T12
P10
RESISTOR
H
B
120
0.4W
A
FUEL SOLENOID
J2
P6
18 AWG
RED/VIOLET
18 AWG
PINK
18 AWG
PINK
18 AWG
PINK
P9
SEAT SWITCH
I
1 2
PMP CNTL CMD
PMP CNTL CMD
PMP CNTL CMD
PMP CNTL CMD
18 AWG
RED/YELLOW
18 AWG
RED/YELLOW
P8
FOOT SWITCH
L
A B
18 AWG
RED/YELLOW
12V POWER
12V GND
5V GND
5V POWER
+12VDC 10A FUSED
J1
ACCESSORY POWER
V W
FWD

Related product manuals