EasyManua.ls Logo

MULTIQUIP LD6 - Electrical Wiring Diagram (Pitch Kit)

MULTIQUIP LD6
56 pages
Print Icon
To Next Page IconTo Next Page
To Next Page IconTo Next Page
To Previous Page IconTo Previous Page
To Previous Page IconTo Previous Page
Loading...
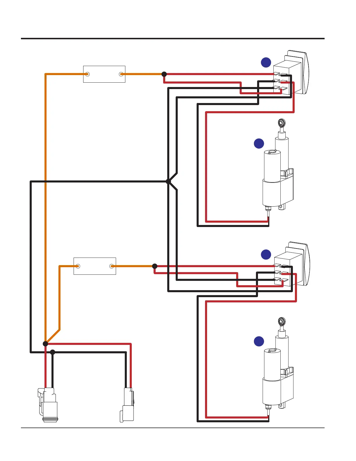
PAGE 50 — LD6 RIDE-ON POWER TROWEL • OPERATION MANUAL — REV. #0 (02/10/20)
ELECTRICAL WIRING DIAGRAM (PITCH KIT)
P3
F1
20A
F2
20A
P2
12 AWG
ORANGE
12 AWG
ORANGE
12 AWG
ORANGE
14 AWG
BLACK
14 AWG
RED
14 AWG
BLACK
14 AWG
RED
16 AWG
BLACK
16 AWG
BLACK
16 AWG
BLACK
16 AWG
BLACK
16 AWG
RED
16 AWG
RED
16 AWG
RED
16 AWG
RED
14 AWG
BLACK
12 AWG
ORANGE
LEFT PITCH
SWITCH
O
LEFT PITCH
ACTUATOR
DD
RIGHT PITCH
ACTUATOR
CC
RIGHT PITCH
SWITCH
Q
12 AWG
ORANGE
14 AWG
BLACK
14 AWG
RED
14 AWG
RED
14 AWG
BLACK
P1
CONNECT TO
MAIN HARNESS
ACCESSORY POWER
J1
ACCESSORY POWER OUT
CONNECT LIGHT KIT
OR SPRAY KIT HERE

Related product manuals