EasyManua.ls Logo

MULTIQUIP LD6 - Hydraulic System Diagram

MULTIQUIP LD6
56 pages
Print Icon
To Next Page IconTo Next Page
To Next Page IconTo Next Page
To Previous Page IconTo Previous Page
To Previous Page IconTo Previous Page
Loading...
LD6 RIDE-ON POWER TROWEL • OPERATION MANUAL — REV. #0 (02/10/20) — PAGE 55
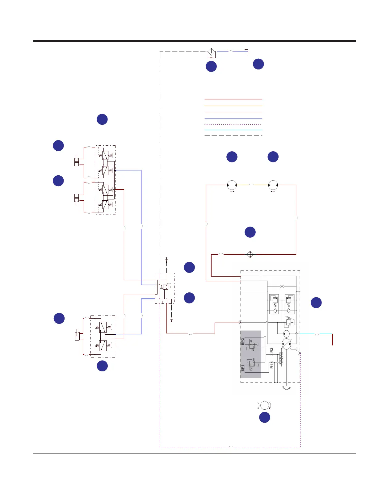
HYDRAULIC SYSTEM DIAGRAM
CYCLONE
RESERVOIR
(PORT A)
FROM CYCLONE
RESERVOIR
(PORT B)
RIGHT-HAND
STEERING
VALVE
A
LEFT-HAND
STEERING
VALVE
B
CASE DRAIN
MANIFOLD
C
E
2
1
P
T
3
1
P
T
4
2
B
A
A
B
A
B
A
B
G
T2
T1
S
M2
M1
A
B
M4
M3
B
A
1
2
TP2
TP1
HIGH PRESSURE LINES (5,100 PSI)
MID PRESSURE LINES (2,500 PSI)
RETURN LINES (TANK)
CASE DRAIN LINES (<35 PSI)
SUCTION LINE
LOW PRESSURE LINES (<250 PSI)
CONNECTION MADE BY FITTING
. .
. .
. .
. .
. .
. .
. .
. .
. . . .
. .
. .
. .
. .
. .
. .
. .
. .
H2
H4
H1
H3
H5
H6
H7
HS8
HS9
H10
H11
H13
H12
H14
H15
H16
H17
H18
HYDRAULIC
TANK
K
HYDRAULIC
FILTER
N
LEFT-SIDE
HYDRAULIC
MOTOR
RIGHT-SIDE
HYDRAULIC
MOTOR
F
H
HEAT
EXCHANGER
J
HYDRAULIC
PUMP
G
ENGINE
M
C1
T2
T1
S3
T3
S1
T4
S2
C2
LEFT
HYDRAULIC
CYLINDER
E
REAR
HYDRAULIC
CYLINDER
RIGHT
HYDRAULIC
CYLINDER
I
L
STEERING
PRESSURE
VALVE
D

Related product manuals