EasyManua.ls Logo

NAD 300 - Internal View of Integrated Circuit

NAD 300
45 pages
Print Icon
To Next Page IconTo Next Page
To Next Page IconTo Next Page
To Previous Page IconTo Previous Page
To Previous Page IconTo Previous Page
Loading...
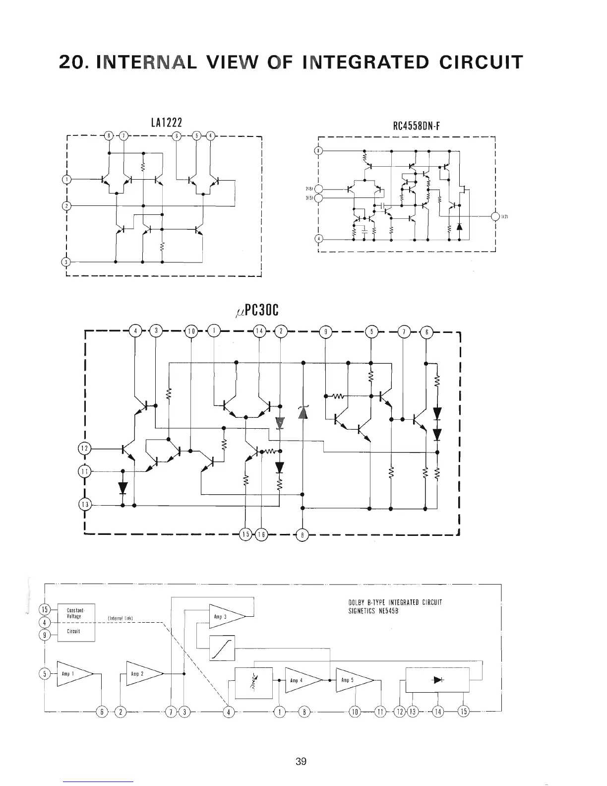
20.INTERNAL
VIEW
OF
INTEGRATED
CIRCUIT
RC4558Dll-F
/lPC30C
DOTBY
B.TYPt II{IEGRAIED CIRCUIT
slGlrEilcs ilt5458
39

Related product manuals