EasyManua.ls Logo

NAD 712 - Input, Speaker, and Headphone Circuits; Input Jack and Selector Circuits; Speaker Output and Headphone Amplifier Circuits

NAD 712
30 pages
Print Icon
To Next Page IconTo Next Page
To Next Page IconTo Next Page
To Previous Page IconTo Previous Page
To Previous Page IconTo Previous Page
Loading...
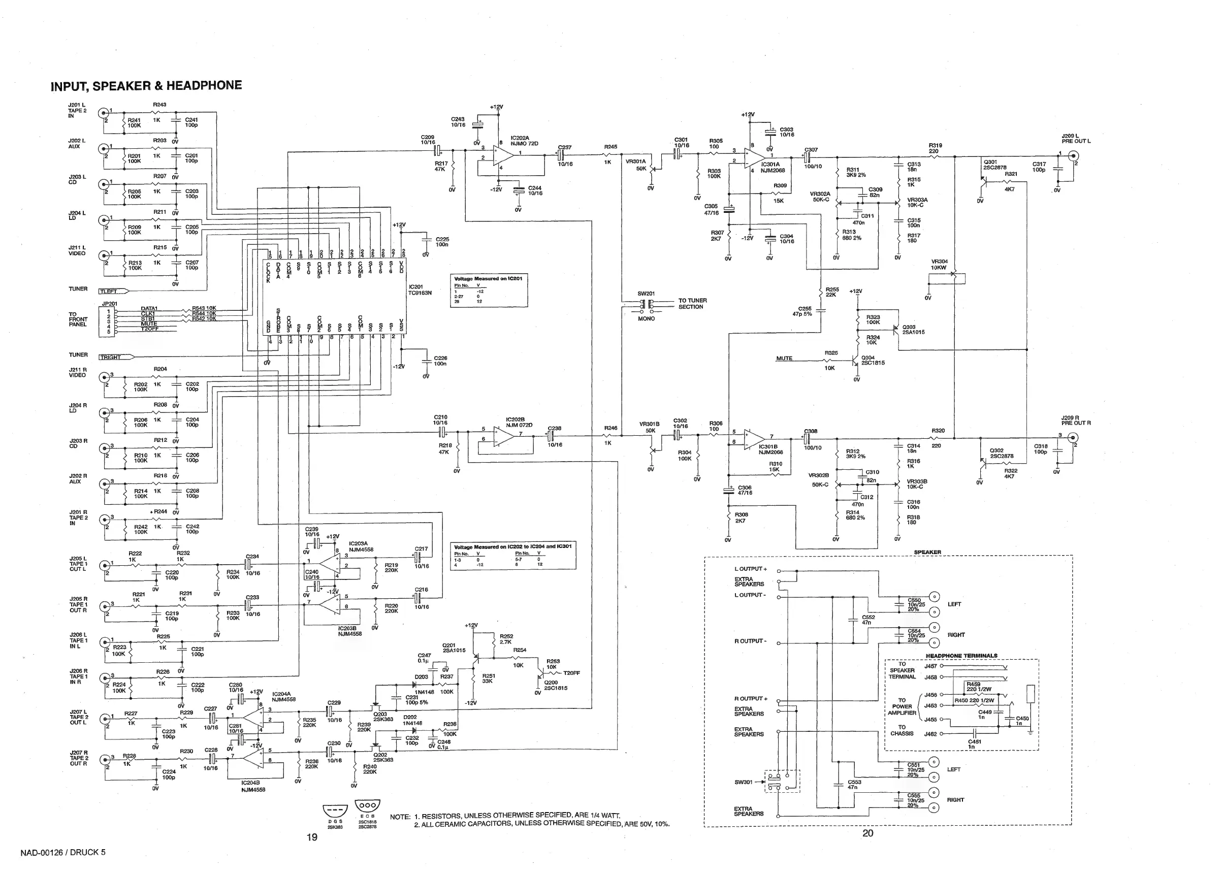
INPUT,
SPEAKER
&
HEADPHONE
J201
L
R243
mo
R241
1K
C241
100K
100p
J202L
R203
ov
AUX
(?
1
R201
1K
C201
100K
100p
J203
L
R207
ov
cD
J204
L
LD
J211b
VIDEO
ov
TUNER
TLERT
TO
Li
FRONT
PANEL
OFF
TUNER
R543
10K
J211R
R204
VIDEO
R202
1K
C202
+12V
VR301A
50K
r
10/16
ov
Voltage
Measured
on
IC201
PinNo.
_V.
1
2
2-27
0
28
12
sw201
=
100K
100p
J204
R
R208
ov
C204
100p
R206
1K
100K
J203
R
cD
3
2
J202
R
AUX
(e
3
2
R212
ov
nie
C206
1400p
R210
1K
100K
C208
100p
R214
1K
100K
J201
R
TAPE
2
IN
+
R244
oy
C242
100p
R242
1K
100K
J205L
TAPE
1
OUT
L
J205
R
TAPE
1
OUTR
J206
L
TAPE
1
INL
J206.R
TAPE
1
C210
1C202B
10/16
5
NJM
072D
oe
aug
bg
B
UU
Z
+
6
R218
47K
ov
}
INR
J207L
TAPE
2
OUTL
J207
R
TAPE
2
OUTR
NAD-00126
/
DRUCK
5
Voltage
Measured
on
IC202
to
1C204
and
IC301
Pin
No.
_V.
PinNo,
V.
1-3
0
5-7
0
4
2
8
12
NJM4558
+12V
R253
T20FF
Q200
2SC1815
1C204B
NJM4558
19
DGS
2SK363
ECB
2SC1815
2802878
NOTE:
1.
RESISTORS,
UNLESS
OTHERWISE
SPECIFIED,
ARE
1/4
WATT.
2.
ALL
CERAMIC
CAPACITORS,
UNLESS
OTHERWISE
SPECIFIED,
ARE
50V,
10%.
C302
10/16
TO
TUNER
+12V
R319
220
Q301
2802878
R321
C317
100p
1C301A
4
NJM2068
R311
3K9
2%
R309
C309
C255
Q303
2SA1015
R324
10K
Q304
4g
2801815
EXTRA
SPEAKERS
1
.0V
Seat
Mes
we
ten
et
be
Sets
Se
aA
tt
Ae
a2)
SPEARS
Bo
hh
leh
ee
|
ee
te
on
eee
LOUTPUT+
4
EXTRA
4
SPEAKERS
Se
cam
(2)
=
On/26
LEFT
cal
©
47n
e
C554
==
10n/25
RIGHT
ROUTPUT-
20%
(°)
pone
cnn
nr
ne
1
1
TO
1
'
SPEAKER
'
|
TERMINAL
1
t
\
'
$
t
'
f
R
OUTPUT
+
oF
!
TO
1
EXTRA
=
1
POWER
(
SPEAKERS
©
|
AMPLIFIER
!
' 1
EXTRA
5
en)
H
SPEAKERS
'
CHASSIS
!
'
t '
J209
L
PRE
OUT
L
J209
R
PRE
OUT
R

Other manuals for NAD 712

Related product manuals