EasyManua.ls Logo

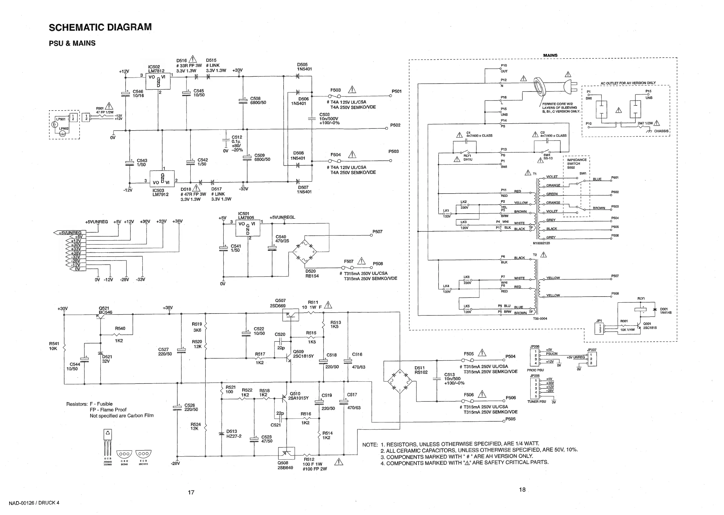
NAD 712 - Power Supply and Mains Schematic

NAD 712
30 pages
Print Icon
To Next Page IconTo Next Page
To Next Page IconTo Next Page
To Previous Page IconTo Previous Page
To Previous Page IconTo Previous Page
Loading...

Other manuals for NAD 712

Related product manuals