EasyManua.ls Logo

NAD 712 - System Block Diagram and Signal Flow; Signal Flow Diagram Explanation; Power Supply Unit Design; Power Supply Circuitry Details

NAD 712
30 pages
Print Icon
To Next Page IconTo Next Page
To Next Page IconTo Next Page
To Previous Page IconTo Previous Page
To Previous Page IconTo Previous Page
Loading...
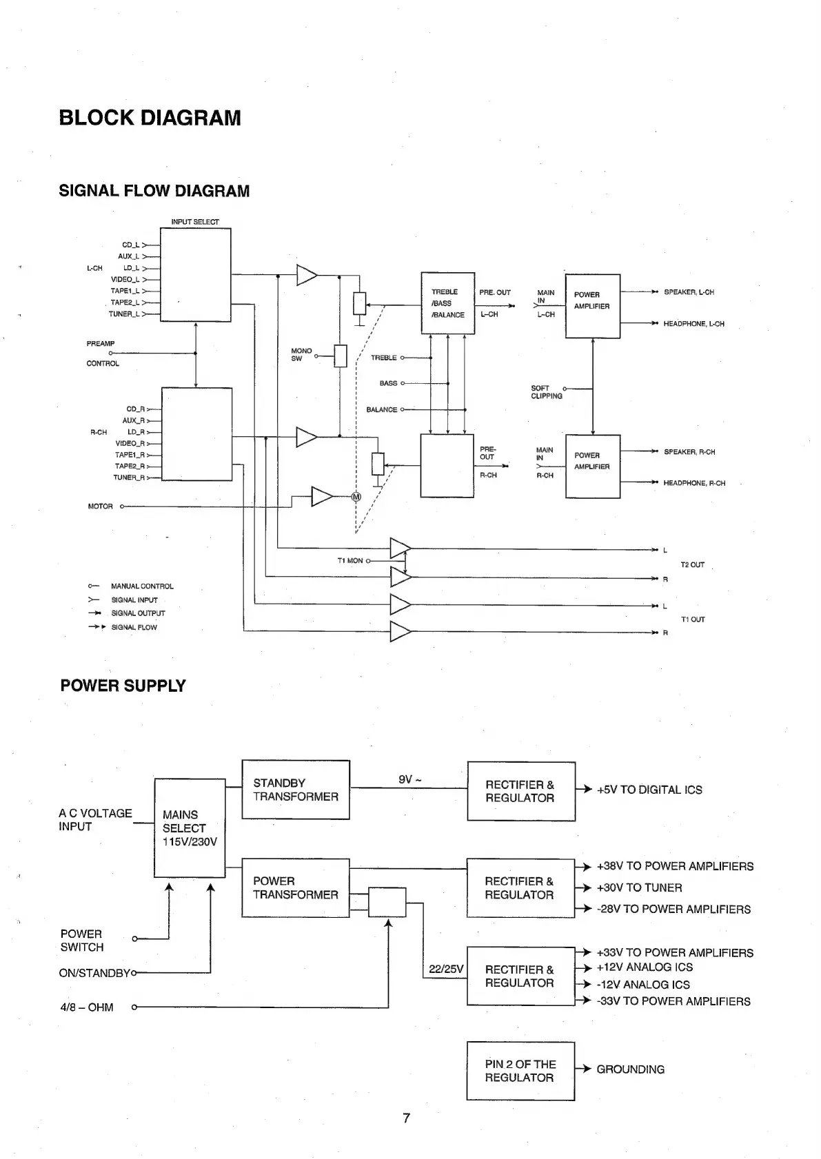
BLOCK
DIAGRAM
SIGNAL
FLOW
DIAGRAM
INPUT
SELECT
cDLL
AUX_L
L-CH
LDLL
VIDEO_L
TAPE1_L
TAPE2_L
TUNER_L
SPEAKER,
L-CH
POWER
AMPLIFIER
PRE.
OUT
MAIN
IN
HEADPHONE,
L-CH
PREAMP
CONTROL
SOFT
°
CLIPPING
SPEAKER,
R-CH
TAPE1_R
POWER
TAPE2_R
7
AMPLIFIER
HEADPHONE,
R-CH
MOTOR
o-————
T2OUT
nm
MANUAL
CONTROL
>
SIGNAL
INPUT
@
—»
|
SIGNAL
OUTPUT
T1
OUT
—>P
SIGNAL
FLOW
R
POWER
SUPPLY
STANDBY
RECTIFIER
&
45V
TO
DIGITAL
Ics
TRANSFORMER
REGULATOR
ACVOLTAGE
|
MAINS
INPUT
SELECT
115V/230V
4+38V
TO
POWER
AMPLIFIERS
POWER
RECTIFIER
&
30V
TO
TUNER
TRANSFORMER
REGULATOR
-
-28V
TO
POWER
AMPLIFIERS
POWER
SWITCH
+33V
TO
POWER
AMPLIFIERS
RECTIFIER
&
+12V
ANALOG
ICS
ON/STANDBY
REGULATOR
-12V
ANALOG
ICS
-33V
TO
POWER
AMPLIFIERS
4/8
OHM
PIN
2
OF
THE
GROUNDING
REGULATOR

Other manuals for NAD 712

Related product manuals