EasyManua.ls Logo

NAD 712 - Integrated Circuit Block Diagrams; TC9163 N, NJM072 D, NJM2068 Diagrams; LM7000 and LA1266 Block Diagrams; TMS77 C82 Microcontroller Block Diagram

NAD 712
30 pages
Print Icon
To Next Page IconTo Next Page
To Next Page IconTo Next Page
To Previous Page IconTo Previous Page
To Previous Page IconTo Previous Page
Loading...
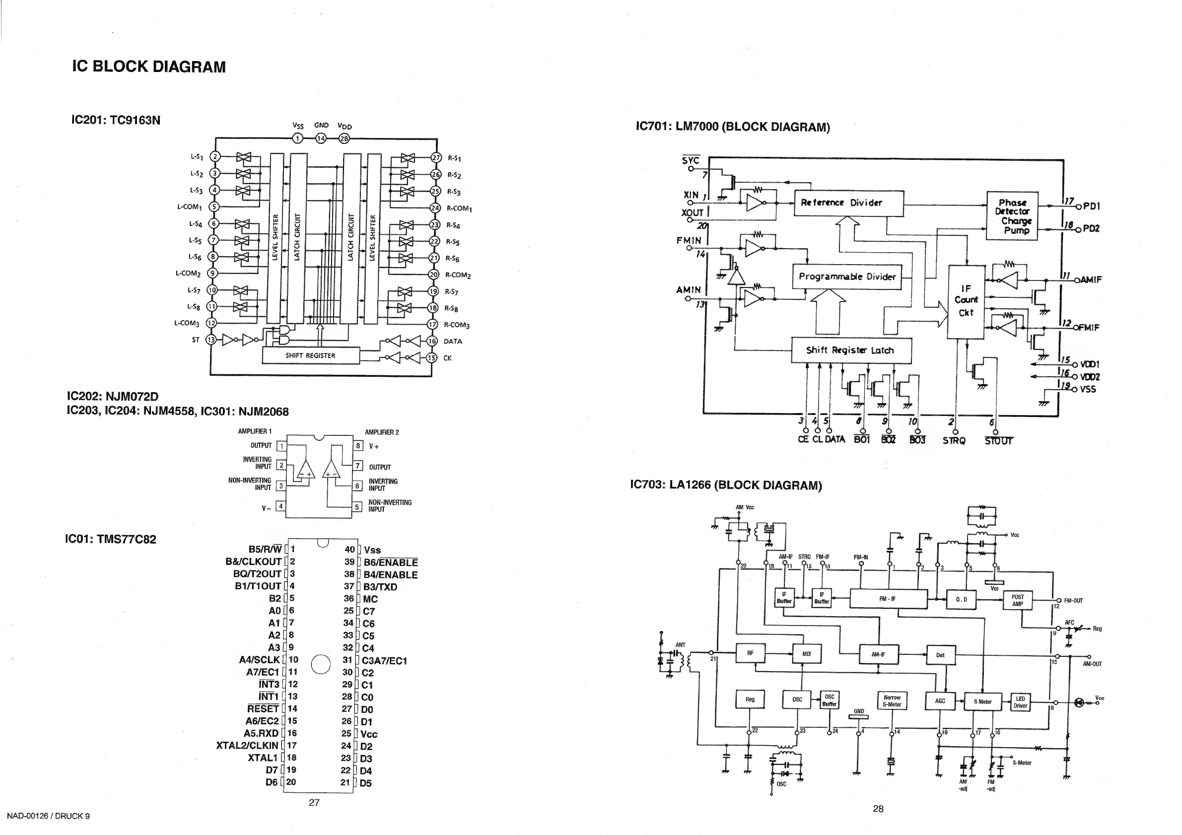
IC
BLOCK
DIAGRAM
1C201:
TC9163N
Vsgs_
GND
Vpp
1C701:
LM7000
(BLOCK
DIAGRAM)
(28)
LS
Ba
BA
Q7)
RS}
»
8a]
[|
FT}
[)
DeBR-@
«54
|
|]
FO
|]
HB
-O
&
L-COM,
[
al
Q4)
R-COM,
L-$q
(6)
SS
Sei
R-Sq
i
ea
Bectunitist
L-Sg
BAH
BA
R-S6
L-COM?
a
20)
R-COM2
ea!
|
LIM
[}
|
cee
=
sat]
[]
HIll)
[)
[EB-@
L-COM3
=
annnant
R-COM3
ST
o
O
El
o
DATA
SHIFT
REGISTER
Ck
1C202:
NJUM072D
1C203,
IC204:
NJM4558,
IC301:
NJUM2068
AMPLIFIER
1
AMPLIFIER
2
OUTPUT
[8]
v+
INVERTING
INPUT
OUTPUT
INVERTING
IC703:
LA1266
(BLOCK
DIAGRAM)
NON-INVERTING
INPUT
INPUT
NON-INVERTING
INPUT
Vec
C4
om
29
1C01:
TMS77C82
B5/R/W
Vss
1
B&/CLKOUT
|/2
B6/ENABLE
13
1
913
-Yao
5
BQ/T2OUT
||3
B4/ENABLE
B1/T1OUT
|/4
B3/TXD
B25
MC
3
AO
||6
C7
A1|/7
C6
A2||8
C5
A3
[/9
C4
A4/SCLK
C3A7/EC1
A7/EC1
C2
INT3
C1
INT1
co
RESET
DO
AG/EC2
D1
A5.RXD
Vec
XTAL2/CLKIN
D2
XTAL1
27
28
NAD-00126
/
DRUCK
9

Other manuals for NAD 712

Related product manuals