EasyManua.ls Logo

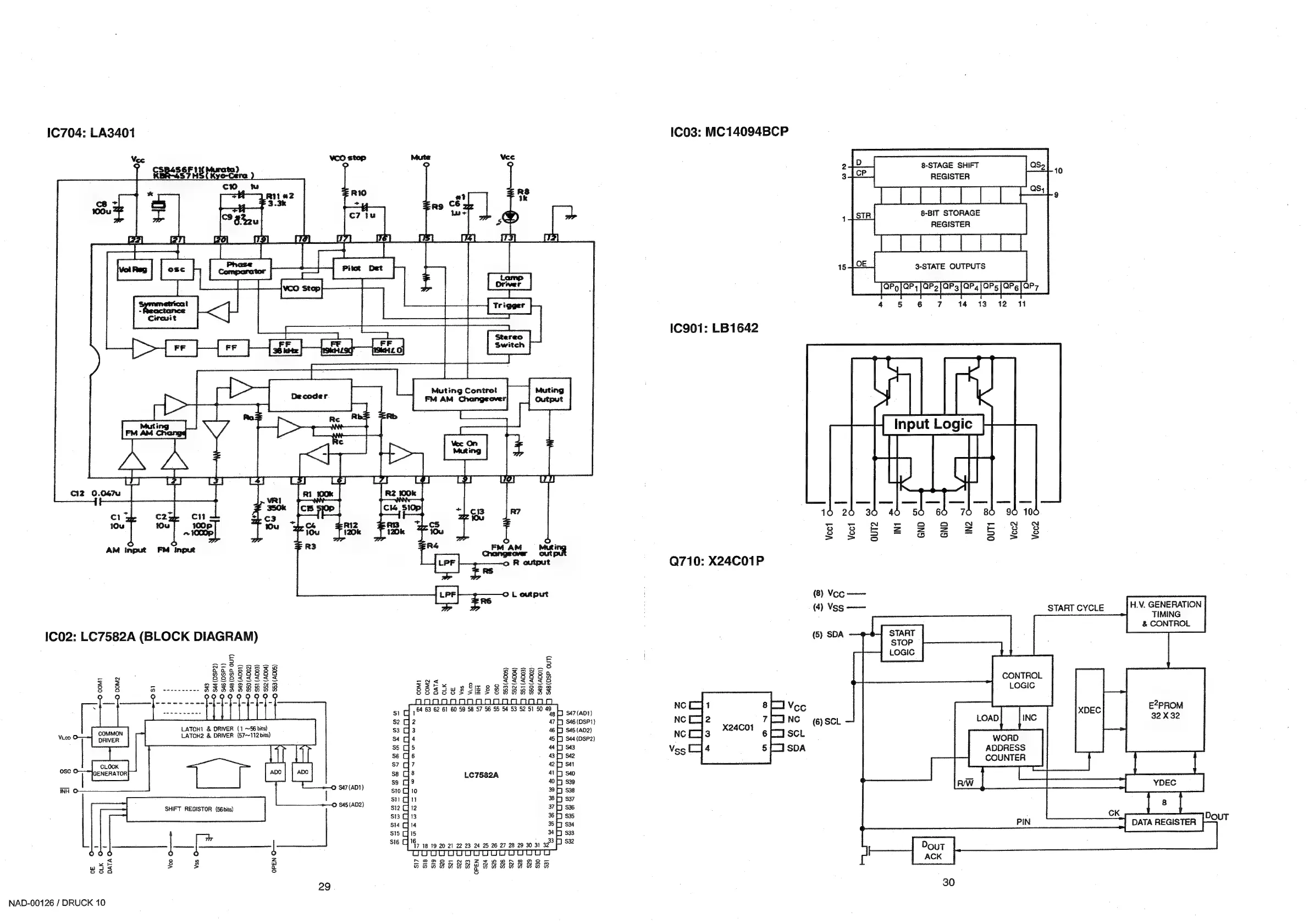
NAD 712 - Additional IC Block Diagrams; LA3401 PLL MPX and MC14094 BCP Diagrams; LB1642 Motor Driver and X24 C01 P EEPROM Diagrams; LC7582 A LCD Driver Block Diagram

NAD 712
30 pages
Print Icon
To Next Page IconTo Next Page
To Next Page IconTo Next Page
To Previous Page IconTo Previous Page
To Previous Page IconTo Previous Page
Loading...
1C704:
LA3401
ICO3:
MC14094BCP
Vee
¢
FI
ata
Y
7
7
GERE
ST
ee
Sera
3
REGISTER
8-BIT
STORAGE
REGISTER
3-STATE
OUTPUTS
4
5
6
7
14
$13
#12
«11
ez
8-STAGE
SHIFT
is
|
eee
1C901:
LB1642
Input
Logic
Clay
c2zxe
cn
33
eS
ad
10u
10u
100p
wu
Yc
R12
rp
064,
cs
1000p
10u
120k
120k
Ou
o
R3
RL
2
mei
AM
Input
FM
Input
FM
AM
Mut
o
R
output
Q710:
X24C01P
LPF
O
L
output
:
(8)
Voc——
(4)
Vss
——
START
CYCLE
H.V.
GENERATION
TIMING
&
CONTROL
IC02:
LC7582A
(BLOCK
DIAGRAM)
(5)
SDA
START
STOP
LOGIC
CONTROL
LOGIC
NC
C}1
8
LL
Voc
Nc
Co
7(-INc
noccjs
**4°%
gry
ser
ai
WORD
5
[I
SDA
ADDRESS
ig
COUNTER
LC7582A
O
S47(AD1)
O
S45(AD2)
30
NAD-00126
/
DRUCK
10

Other manuals for NAD 712

Related product manuals