EasyManua.ls Logo

NAD T 775 - Page 110

NAD T 775
129 pages
Print Icon
To Next Page IconTo Next Page
To Next Page IconTo Next Page
To Previous Page IconTo Previous Page
To Previous Page IconTo Previous Page
Loading...
108
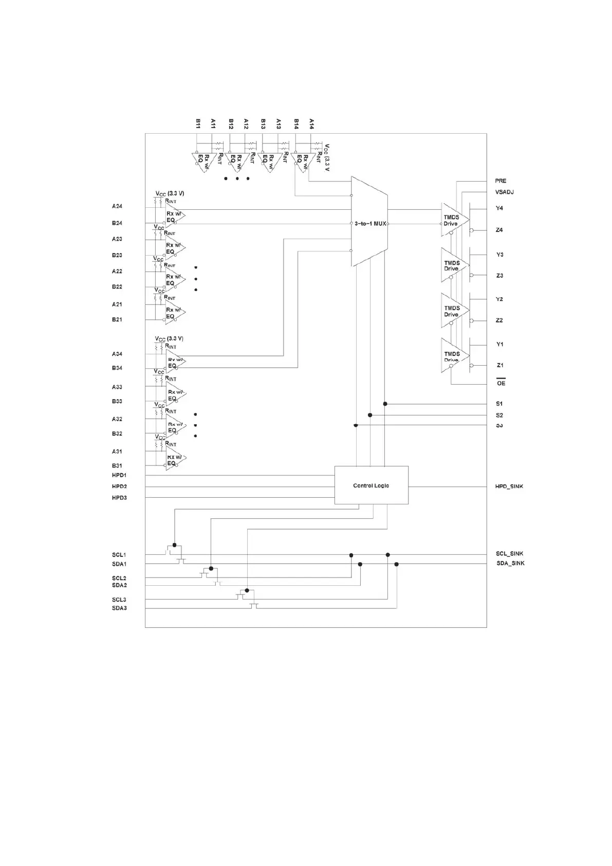
TMDS341
(U15, U23)

Other manuals for NAD T 775

Related product manuals