EasyManua.ls Logo

NAD T 775 - Schematic Diagram

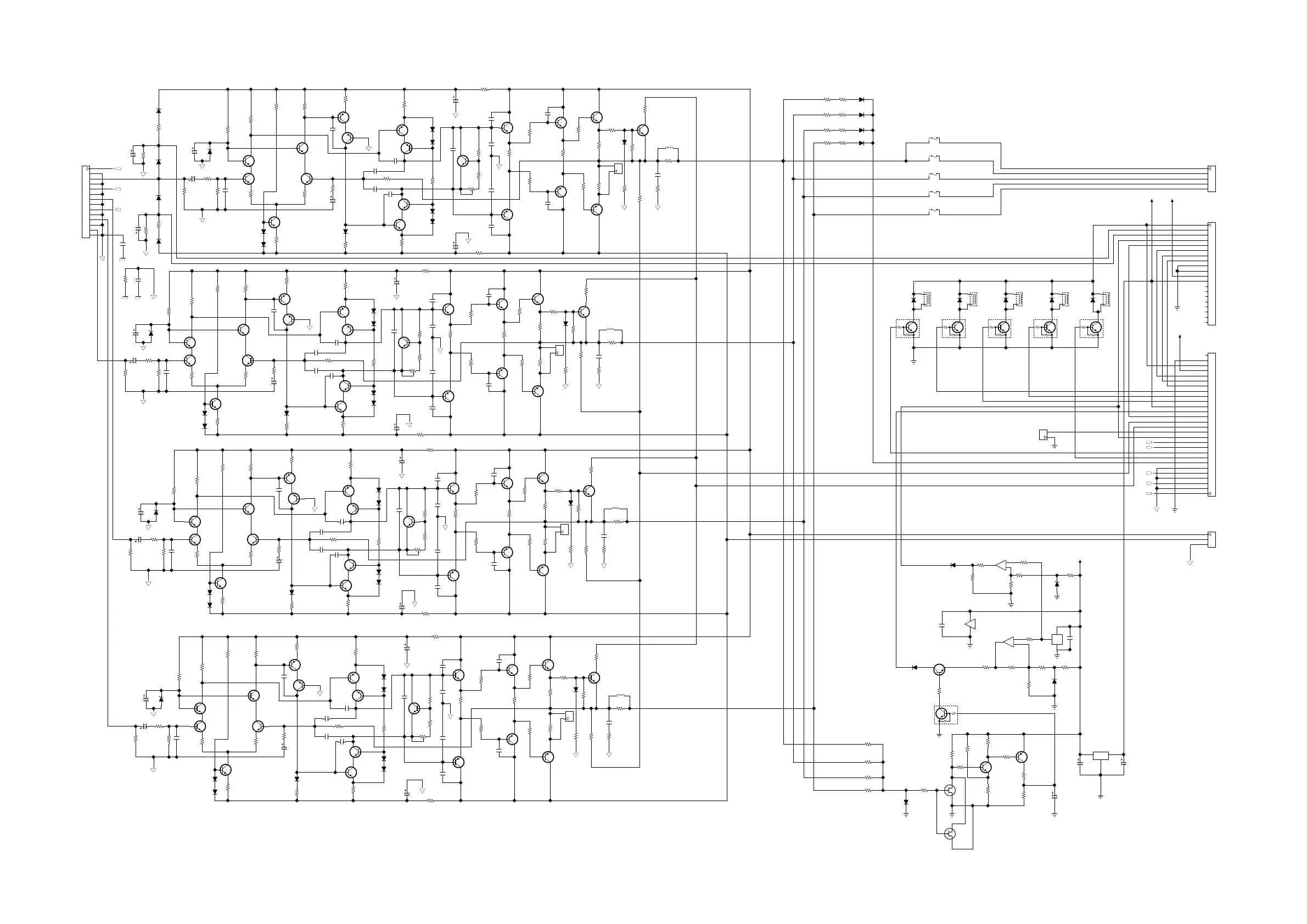
NAD T 775
129 pages
Print Icon
To Next Page IconTo Next Page
To Next Page IconTo Next Page
To Previous Page IconTo Previous Page
To Previous Page IconTo Previous Page
Loading...
41a
POWER AMPLIFIER RIGHT-CH
SCHEMATIC DIAGRAM
FR
SR
CEN.
SBR
FR(A)
FR(B)
CENTER
SR
SBR
Q5006
MMBT5401LT1
E
C
B
Q5001
MMBT5551LT1
E
C
B
Q5002
MMBT5551LT1
E
C
B
Q5003
MMBT5551LT1
E
C
B
Q5004
MMBT5551LT1
R5002
470
1/4W
R5003
10k
R5001
100k
1/4W
R5005
1k
R5009
1k
R5007
22
R5011
22
R5008
270
1/4W
R5013
100
E
C
B
Q5005
MMBT5551LT1
R5006
47k
D5002
LL4148
D5003
LL4148
C5002
2.2u 50V
R5004
27k
1/4W
C5001
100u50V
R5012
360
1/4W
C5004
470u
16V
Q5007
2SB1275
R5010
100
R5014
47
D5004
LL4148
Q5008
MMBT5401LT1
Q5009
2SB1275
D5005
LL4148
D5006
LL4148
C5007
100p
C5005
10p
C5006
10p
C5008
100p
R5015
10k
Q5010
2SD1918
E
C
B
Q5011
MMBT5551LT1
R5016
47
D5007
LL4148
D5008
LL4148
Q5012
MMBT5551LT1
R5017
56k
1/4W
R5019
2k
R5020
330
C5010
0.1u 50V
12
3
R5021
1k
C5009
47u100V
C5011
47u100V
R5018
47
1/2W
Q5013
MMBT5551LT1
Q5014
MMBT5401LT1
R5023
1k
1/2W
C5012
100p
100V
C5015
100p
100V
C5013
100p
C5014
100p
R5025
47
1/4W
R5024
47
1/4W
Q5015
2SD1918
Q5017
2SC5669
Q5016
2SB1275
Q5018
2SA2031
R5026
220
1/2W
C5017
100p
100V
R5029
4.7
1/4W
R5027
4.7
1/4W
C5016
100p
100V
R5036
10
2W
C5018
0.1u_M 100V
R5035
3.3 1W
L5001
0.2uH
D5001
15V
1/4W
R5022
47
1/2W
R5028
0.22
5W
R5030
0.22
5W
Q5019
MMBT5551LT1
R5031
10k
R5034
33k
R5033
1.5k
D5009
LL4148
R5032
180k
R5037
180k
R5137
180k
R5132
180k
D5109
LL4148
R5133
1.5k
R5134
33k
R5131
10k
Q5119
MMBT5551LT1
R5130
0.22
5W
R5128
0.22 5W
R5122
47
1/2W
D5101
15V
1/4W
L5101
0.2uH
R5135
3.3 1W
C5118
0.1u_M 100V
R5136
10
2W
C5116
100p
100V
R5127
4.7
1/4W
R5129
4.7
1/4W
C5117
100p
100V
R5126
220
1/2W
Q5118
2SA2031
Q5116
2SB1275
Q5117
2SC5669
Q5115
2SD1918
R5124
47
1/4W
R5125
47
1/4W
C5114
100p
C5113
100p
C5115
100p
100V
C5112
100p
100V
R5123
1k
1/2W
Q5114
MMBT5401LT1
Q5113
MMBT5551LT1
R5118
47
1/2W
C5111
47u100V
C5109
47u100V
12
3
R5121
1k
C5110
0.1u 50V
R5120
330
R5119
2k
R5117
56k
1/4W
Q5112
MMBT5551LT1
D5108
LL4148
D5107
LL4148
R5116
47
E
C
B
Q5111
MMBT5551LT1
Q5110
2SD1918
R5115
10k
C5108
100p
C5106
10p
C5105
10p
C5107
100p
D5106
LL4148
D5105
LL4148
Q5109
2SB1275
Q5108
MMBT5401LT1
D5104
LL4148
R5114
47
R5110
100
Q5107
2SB1275
C5104
470u
16V
R5112
360
1/4W
C5101
100u50V
R5104
27k
1/4W
C5102
2.2u 50V
D5103
LL4148
D5102
LL4148
R5106
47k
E
C
B
Q5105
MMBT5551LT1
R5113
100
R5108
270
1/4W
R5111
22
R5107
22
R5109
1k
R5105
1k
R5101
100k
1/4W
R5103
10k
R5102
470
1/4W
E
C
B
Q5104
MMBT5551LT1
E
C
B
Q5103
MMBT5551LT1
E
C
B
Q5102
MMBT5551LT1
E
C
B
Q5101
MMBT5551LT1
Q5106
MMBT5401LT1
R5237
180k
R5232
180k
D5209
LL4148
R5233
1.5k
R5234
33k
R5231
10k
Q5219
MMBT5551LT1
R5230
0.22
5W
R5228
0.22 5W
R5222
47
1/2W
D5201
15V
1/4W
L5201
0.2uH
R5235
3.3 1W
C5218
0.1u_M 100V
R5236
10
2W
C5216
100p
100V
R5227
4.7
1/4W
R5229
4.7
1/4W
C5217
100p
100V
R5226
220
1/2W
Q5218
2SA2031
Q5216
2SB1275
Q5217
2SC5669
Q5215
2SD1918
R5224
47
1/4W
R5225
47
1/4W
C5214
100p
C5213
100p
C5215
100p
100V
C5212
100p
100V
R5223
1k
1/2W
Q5214
MMBT5401LT1
Q5213
MMBT5551LT1
R5218
47
1/2W
C5211
47u100V
C5209
47u100V
12
3
R5221
1k
C5210
0.1u 50V
R5220
330
R5219
2k
R5217
56k
1/4W
Q5212
MMBT5551LT1
D5208
LL4148
D5207
LL4148
R5216
47
E
C
B
Q5211
MMBT5551LT1
Q5210
2SD1918
R5215
10k
C5208
100p
C5206
10p
C5205
10p
C5207
100p
D5206
LL4148
D5205
LL4148
Q5209
2SB1275
Q5208
MMBT5401LT1
D5204
LL4148
R5214
47
R5210
100
Q5207
2SB1275
C5204
470u16V
R5212
360
1/4W
C5201
100u50V
R5204
27k
1/4W
C5202
2.2u 50V
D5203
LL4148
D5202
LL4148
R5206
47k
E
C
B
Q5205
MMBT5551LT1
R5213
100
R5208
270
1/4W
R5211
22
R5207
22
R5209
1k
R5205
1k
R5201
100k
1/4W
R5203
10k
R5202
470
1/4W
E
C
B
Q5204
MMBT5551LT1
E
C
B
Q5203
MMBT5551LT1
E
C
B
Q5202
MMBT5551LT1
E
C
B
Q5201
MMBT5551LT1
Q5206
MMBT5401LT1
R5337
180k
R5332
180k
D5309
LL4148
R5333
1.5k
R5334
33k
R5331
10k
Q5319
MMBT5551LT1
R5330
0.22 5W
R5328
0.22 5W
R5322
47
1/2W
D5301
15V
1/4W
L5301
0.2uH
R5335
3.3 1W
C5318
0.1u_M 100V
R5336
10
2W
C5316
100p
100V
R5327
4.7
1/4W
R5329
4.7
1/4W
C5317
100p
100V
R5326
220
1/2W
Q5318
2SA2031
Q5316
2SB1275
Q5317
2SC5669
Q5315
2SD1918
R5324
47
1/4W
R5325
47
1/4W
C5314
100p
C5313
100p
C5315
100p
100V
C5312
100p
100V
R5323
1k
1/2W
Q5314
MMBT5401LT1
Q5313
MMBT5551LT1
R5318
47
1/2W
C5311
47u100V
C5309
47u100V
12
3
R5321
1k
C5310
0.1u 50V
R5320
330
R5319
2k
R5317
56k
1/4W
Q5312
MMBT5551LT1
D5308
LL4148
D5307
LL4148
R5316
47
E
C
B
Q5311
MMBT5551LT1
Q5310
2SD1918
R5315
10k
C5308
100p
C5306
10p
C5305
10p
C5307
100p
D5306
LL4148
D5305
LL4148
Q5309
2SB1275
Q5308
MMBT5401LT1
D5304
LL4148
R5314
47
R5310
100
Q5307
2SB1275
C5304
470u
16V
R5312
360
1/4W
C5301
100u50V
R5304
27k
1/4W
C5302
2.2u 50V
D5303
LL4148
D5302
LL4148
R5306
47k
E
C
B
Q5305
MMBT5551LT1
R5313
100
R5308
270
1/4W
R5311
22
R5307
22
R5309
1k
R5305
1k
R5301
100k
1/4W
R5303
10k
R5302
470
1/4W
E
C
B
Q5304
MMBT5551LT1
E
C
B
Q5303
MMBT5551LT1
E
C
B
Q5302
MMBT5551LT1
E
C
B
Q5301
MMBT5551LT1
Q5306
MMBT5401LT1
C5407
100u 50V
R5403
1.2k
D5418
LL4148
D5417
LL4148
C5406
100u50V
R5402
1.2k
R5404
18k
R5401
18k
D5419
22V
1/4W
D5416
22V
1/4W
1
2
M5401-A
3
4
M5401-B
1
2
M5402-A
3
4
M5402-B
1
2
M5403-A
3
4
M5403-B
1
2
M5404-A
3
4
M5404-B
D5401
GS1G
D5402
GS1G
D5403
GS1G
D5404
GS1G
E
C
B
Q5401
DTC123EKA
E
C
B
Q5402
DTC123EKA
E
C
B
Q5403
DTC123EKA
E
C
B
Q5404
DTC123EKA
R5038
15k
R5039
22k
D5411
LL4148
D5412
LL4148
R5139
22k
R5138
15k
D5413
LL4148
R5239
22k
R5238
15k
D5414
LL4148
R5339
22k
R5338
15k
1
2
M5405-A
3
4
M5405-B
D5407
LL4148
R5418
4.22k
1%
R5417
33k 1%
R5419
1.2k
R5416
1.2k
3
+
2
-
1
U5401-A
LM358D
IN
GND
OUT
U5403
LM7812CT
R5420
1k
D5409
6.2V
1/2W
R5421
47.5k
1%
R5423
820
R5426
1.2k
R5424
1.2k
8
4
U5401-C
LM358D
5
+
6
-
7
U5401-B
LM358D
R5413
10k
R5412
1k
R5410
1k
R5411
560
R5409
47k
R5407
22k
R5408
4.7k
R5406
33k
Q5408
MMBT5401LT1
E
C
B
Q5409
MMBT5551LT1
R5405
1M
R5040
1M
R5140
1M
R5240
1M
R5340
1M
S
G
D
Q5410
2SK771-4
E
C
B
Q5405
DTC123EKA
D5405
GS1G
D5415
LL4148
R5414
6.8k
R5415
12k
1
2
3
4
5
6
7
8
9
10
11
12
13
14
15
16
17
18
19
20
J2001B
to MCU (J2001A)
1
2
M5406
To thermistor for ISC
1
2
3
4
5
J5403A
to SPEAKER
1
2
3
J5402A
to PSU-SEC (J5402B)
1
2
3
4
5
6
7
8
9
10
11
12
13
14
15
16
17
18
19
20
21
22
23
24
25
26
27
28
J5401A
to CONN#3 (J5401B)
+VS
GND
VOUT
U5402
LM35DM
1
2
3
4
5
6
7
8
9
10
11
12
13
14
J5404A
to PRE-OUT (J5404B)
R5425
22.1k 1%
D5410
LL4148
R5427
N.I .
C5403
0.1u50V
C5404
0.1u50V
C5003
100p
100V
C5103
100p
100V
C5203
100p
100V
C5303
100p
100V
C5019
150p
C5119
150p
C5219
150p
C5319
150p
C5405
1u
50V
S
G
D
Q5410A
N.I .
C5408
0.1u100V
C5402
100u50V
C5401
100u50V
D5406
6.2V
1/2W
1
2
P5001
for BIAS
1
2
P5101
for BIAS
1
2
P5201
for BIAS
1
2
P5301
for BIAS
Q5406
MMBT5401LT1
E
C
B
Q5407
DTC114EKA
R5422
10k
C5409
0.1u100V
CHG ND
DGND
DGND
DGND
DGND
DGND
DGND
DGND
DGND
PO_FL
PO_SL
PO_BSL
PO_FL
PO_SL
PO_BSL
DGND
SC_1
SC_2
SC_1
SC_2
THM_ PRO
V+
V-
OVLD _PRO
DGND
4094(1)_STB
4094_DATA
4094_CLK
4094(1)_STB
4094_DATA
4094_CLK
RELAY_C
RELAY_SB
RELAY_S
FAN_SEN
OVLD _PRO
V_DET
I_DET
ISC_THM_R
THM_ PRO
SC_1
SC_2
RELAY_F
RELAY_B
ISC_SEN_R
I_GND
PO_BSL
I_GND
PO_SL
I_GND
PO_FL
+5VD
DGND
+5VD
DGND
+12V
DGND
FR_B_SPK
FR_A_SPK
CENTER _SPK
SR_SPK
BSR_SPK
FR_O
C_O
SR_O
BSR_O
FR_O
+12V_D
+5VD
PO_FL
PO_FR
PO_SL
PO_SR
PO_BSL
PO_BSR
PO_CEN
DGND
DGNDDGND
CHG ND
I_GND
I_GND
I_GND
I_GND
I_GND
O_GND
O_GND
I_GND
O_GNDO_GND
I_GND
I_GND
I_GND
O_GND
O_GND
I_GND
O_GNDO_GND
I_GND
I_GND
I_GND
O_GND
O_GND
I_
GND
O_GNDO_GND
I_
GND
I_GND
I_GND
O_GND
O_GND
I_GND
O_GND O_G ND
I_GND
I_GND
O_GND
I_GNDI_GND
O_GNDO_G ND
+5VD
+15V
+15V
DGND
+12V_D
+15V
CHG ND
First Production runs:
T775G00001-T71T775G00028 &
T78T775G00029-T78T775G00510

Other manuals for NAD T 775

Related product manuals