EasyManua.ls Logo

NAD T 775 - Page 114

NAD T 775
129 pages
Print Icon
To Next Page IconTo Next Page
To Next Page IconTo Next Page
To Previous Page IconTo Previous Page
To Previous Page IconTo Previous Page
Loading...
112
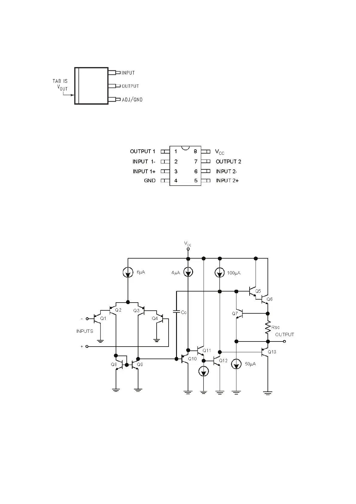
LM1086
(VR200)
Power Amp – L
AS358
(U5802, U5401 in AMP-R)

Other manuals for NAD T 775

Related product manuals