EasyManua.ls Logo

NAD T 775 - Page 119

NAD T 775
129 pages
Print Icon
To Next Page IconTo Next Page
To Next Page IconTo Next Page
To Previous Page IconTo Previous Page
To Previous Page IconTo Previous Page
Loading...
117
Trigger
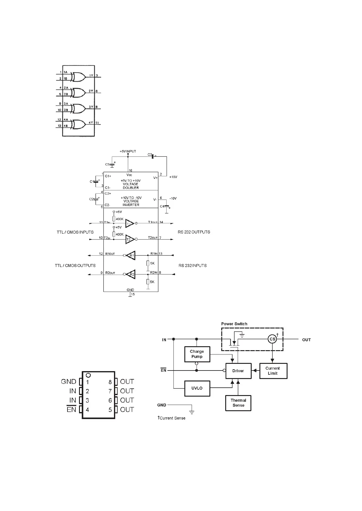
74HC86D (U2303)
ST232BDR (U2301)
TPS2011A (U2302)

Other manuals for NAD T 775

Related product manuals