EasyManua.ls Logo

NAD T 775 - Page 44

NAD T 775
129 pages
Print Icon
To Next Page IconTo Next Page
To Next Page IconTo Next Page
To Previous Page IconTo Previous Page
To Previous Page IconTo Previous Page
Loading...
42b
SBL
SL
FL(B)
FL(A)
SBL
SL
FL
D5804
LL4148
C5803
N.I.
50V
R5803
47k
C5802
N.I.
C5804
N.I.
50V
R5805
10k
R5804
22k
R5802
33k
Q5807
MMBT5401LT1
C5801
47u
16V
R5801
33k
Q5806
MMBT5551LT1
Q5805
MMBT5551LT1
D5812
GS1G
D5811
GS1G
D5810
GS1G
D5809
GS1G
E
C
B
Q5804
DTC123EKA
E
C
B
Q5803
DTC123EKA
E
C
B
Q5802
DTC123EKA
E
C
B
Q5801
DTC123EKA
R5738
15k
R5739
22k
D5710
LL4148
R5638
15k
R5639
22k
D5610
LL4148
D5510
LL4148
R5539
22k
R5538
15k
3
4
M5804-B
1
2
M5804-A
3
4
M5803-B
1
2
M5803-A
3
4
M5802-B
1
2
M5802-A
3
4
M5801-B
1
2
M5801-A
D5805
LL4148
R5810
4.22k
1%
R5809
27k 1%
R5811
1.2k
R5808
1.2k
3
+
2
-
1
U5802-A
LM358
D5802
LL4148
D5801
LL4148
C5805
0.1u
C5808
220u
50V
C5809
100u
50V
IN
GND
OUT
U5805
NJM7812
C5806
1000u
25V
1
2
J5805A
to FAN
1
2
J5806A
to FAN
1
2
J5807A
to FAN
1
2
J5808A
to FAN
1
2
J5809A
to FAN
R5820
390
R5831
12k
R5819
27k
1/4W
R5821
2.2k
R5812
1k
C5807
0.1u
D5807
6.2V
1/2W
R5813
47.5k 1%
R5815
820
R5818
1.2k
R5816
1.2k
8
4
U5802-C
LM358
5
+
6
-
7
U5802-B
LM358
R5829
10k
R5830
1k
R5827
1k
R5828
560
R5825
47k
R5824
22k
R5826
4.7k
R5823
33k
Q5811
MMBT5401LT1
Q5810
MMBT5551LT1
R5822
1M
R5540
1M
R5640
1M
R5740
1M
Q5706
2SB1275
Q5701
MMBT5551LT1
Q5702
MMBT5551LT1
Q5703
MMBT5551LT1
Q5704
MMBT5551LT1
R5702
470
1/4W
R5703
10k
R5701
100k
1/4W
R5705
1k
R5709
1k
R5707
22
R5711
22
R5708
270
1/4W
R5713
100
Q5705
MMBT5551LT1
R5706
47k
D5702
LL4148
D5703
LL4148
C5702
2.2u 50V
R5704
27k
1/4W
R5712
360
1/4W
Q5707
2SB1275
R5710
100
R5714
47
D5709
LL4148
Q5708
MMBT5401LT1
Q5709
2SB1275
D5704
LL4148
D5705
LL4148
C5707
100p
100V
C5705
10p
C5706
10p
C5708
100p
100V
R5715
10k
Q5710
2SD1918
Q5711
MMBT5551LT1
R5716
47
D5706
LL4148
D5707
LL4148
Q5712
MMBT5551LT1
R5717
56k
1/4W
R5719
2k
R5720
1k
C5710
0.1u
12
3
R5721
1k
C5709
47uF
100V
C5711
47uF
100V
R5718
47 1/2W
C5712
100p
100V
C5715
100p
100V
C5713
100p
100V
C5714
100p
100V
R5736
10
2W
C5718
0.1u_M
100V
R5735
3.3 1W
L5701
0.2uH
D5701
15V
1/4W
R5722
47 1/2W
R5728
0.22
5W
R5730
0.22
5W
Q5719
MMBT5551LT1
R5731
10k
R5734
33k
R5733
20k
D5708
LL4148
R5732
330k
R5737
180k
Q5606
2SB1275
Q5601
MMBT5551LT1
Q5602
MMBT5551LT1
Q5603
MMBT5551LT1
Q5604
MMBT5551LT1
R5602
470
1/4W
R5603
10k
R5601
100k
1/4W
R5605
1k
R5609
1k
R5607
22
R5611
22
R5608
270
1/4W
R5613
100
Q5605
MMBT5551LT1
R5606
47k
D5602
LL4148
D5603
LL4148
C5602
2.2u 50V
R5604
27k
1/4W
R5612
360
1/4W
Q5607
2SB1275
R5610
100
R5614
47
D5609
LL4148
Q5608
MMBT5401LT1
Q5609
2SB1275
D5604
LL4148
D5605
LL4148
C5607
100p
100V
C5605
10p
C5606
10p
C5608
100p
100V
R5615
10k
Q5610
2SD1918
Q5611
MMBT5551LT1
R5616
47
D5606
LL4148
D5607
LL4148
Q5612
MMBT5551LT1
R5617
56k
1/4W
R5619
2k
R5620
1k
C5610
0.1u
12
3
R5621
1k
C5609
47uF
100V
C5611
47uF
100V
R5618
47 1/2W
C5612
100p
100V
C5615
100p
100V
C5613
100p
100V
C5614
100p
100V
R5636
10
2W
C5618
0.1u_M
100V
R5635
3.3 1W
L5601
0.2uH
D5601
15V
1/4W
R5622
47 1/2W
R5628
0.22
5W
R5630
0.22
5W
Q5619
MMBT5551LT1
R5631
10k
R5634
33k
R5633
20k
D5608
LL4148
R5632
330k
R5637
180k
Q5506
2SB1275
Q5501
MMBT5551LT1
Q5502
MMBT5551LT1
Q5503
MMBT5551LT1
Q5504
MMBT5551LT1
R5502
470
1/4W
R5503
10k
R5501
100k
1/4W
R5505
1k
R5509
1k
R5507
22
R5511
22
R5508
270
1/4W
R5513
100
Q5505
MMBT5551LT1
R5506
47k
D5502
LL4148
D5503
LL4148
C5502
2.2u 50V
R5504
27k
1/4W
R5512
360
1/4W
C5504
470u
16V
Q5507
2SB1275
R5510
100
R5514
47
D5509
LL4148
Q5508
MMBT5401LT1 D5504
LL4148
D5505
LL4148
C5507
100p
100V
C5505
10p
C5506
10p
C5508
100p
100V
R5515
10k
Q5510
2SD1918
Q5511
MMBT5551LT1
R5516
47
D5506
LL4148
D5507
LL4148
Q5512
MMBT5551LT1
R5517
56k
1/4W
R5519
2k
R5520
1k
C5510
0.1u
12
3
R5521
1k
C5509
47uF
100V
C5511
47uF
100V
R5518
47 1/2W
C5512
100p
100V
C5515
100p
100V
C5513
100p
100V
C5514
100p
100V
R5536
10
2W
C5518
0.1u_M
100V
R5535
3.3 1W
L5501
0.2uH
D5501
15V
1/4W
R5522
47 1/2W
R5528
0.22
5W
R5530
0.22
5W
Q5519
MMBT5551LT1
R5531
10k
R5534
33k
R5533
20k
D5508
LL4148
R5532
330k
R5537
180k
R5806
6.8k
R5807
12k
D5803
6.2V
1/2W
1
2
3
4
J5802A
To Speaker Out
1
2
3
J5804A
To Secondary
1
2
M5805
To th erm istor for ISC (left)
ADJ
OUT
IN
U5804
LM317
S
G
D
Q5812
2SK771-5
1
2
3
4
5
6
7
8
9
10
11
12
13
14
15
16
17
18
19
20
21
22
23
24
25
26
27
28
J5801A
To CONN#3 (J5801B)
1
STROBE
2
DATA
3
CLOCK
4
Q1
5
Q2
6
Q3
7
Q4
8
VSS
9
QS
10
QS
11
Q8
12
Q7
13
Q6
14
Q5
15
O/P_ENABLE
16
VDD
U5501
HEF4094BT
C5811
0.1u
C5501
100u
50V
C5601
100u
50V
C5701
100u
50V
Q5509
2SB1275
+VS
GND
VOUT
U5803
LM35DT
C5604
470u
16V
C5704
470u
16V
D5813
LL4148
D5808
LL4148
R5817
22.1k 1%
R5832
N.I.
C5503
100p
100V
C5603
100p
100V
C5703
100p
100V
C5519
150p
C5619
150p
C5719
150p
C5816
1u
50V
S
G
D
Q5812A
N.I.
C5810
47uF
100V
C5812
0.1u
250V
1
2
3
J5810A
To ISC J5810B
1
2
3
J5803A
To ISC J5803B
1
2
P5501
for B IAS
1
2
P5601
for B IAS
1
2
P5701
for B IAS
Q5808
MMBT5401LT1
E
C
B
Q5809
DTC114EKA
R5814
10k
C5813
0.1u
250V
D5814
LL4148
D5815
LL4148
E
C
B
Q5517
2SD2390
EC
B
Q5518
2SB1560
Q5618
2SB1560
Q5617
2SD2390
Q5718
2SB1560
Q5717
2SD2390
C5817
10u
16V
C5818
10u
16V
C5819
220u
50V
DGND
CHGND
DGND
DGND
DGND
DGND
DGND
DGNDDGND
+12V
V+
V-
O_GND
PO_FL
PO_SL
PO_FL
PO_SL
PO_BSL
+15V
FAN_SEN
OVLD_PRO
V_DET
I_D ET
ISC _TH M_ R
THM_ PRO
SC_1
SC_2
RELAY_B
ISC _S EN_R
I_G ND
PO_BSL
PO_SL
PO_FL
RELAY_SB
RELAY_S
DGND
+5V_K
DGND
4094_DATA
4094_CLK
RELAY_C
4094(1)_STB
RELAY_F
I_G ND
I_G ND
+5V_K
DGND
DGND
DGND
DGND
DGND
DGND
CHGND
I_G ND
I_G ND
I_G ND
O_GND
O_GND
O_GND O_GND
O_GND
I_G ND
I_G ND
I_G ND
I_G ND
O_GND
O_GND
I_G ND
O_GNDO_GND
I_G ND
I_G ND
I_G ND
O_GND
O_GND
O_GNDO_GND
I_G ND
O_GNDO_GND
I_G NDI_GND
O_GNDO_GND
DGND
+12V_D
+5V_K
ISC _TH M_ L
DGND
ISC _TH M_ R
DGND
I_G ND
CHGND
PO_BSL
ISC _S EN_R
ISC _S EN_L
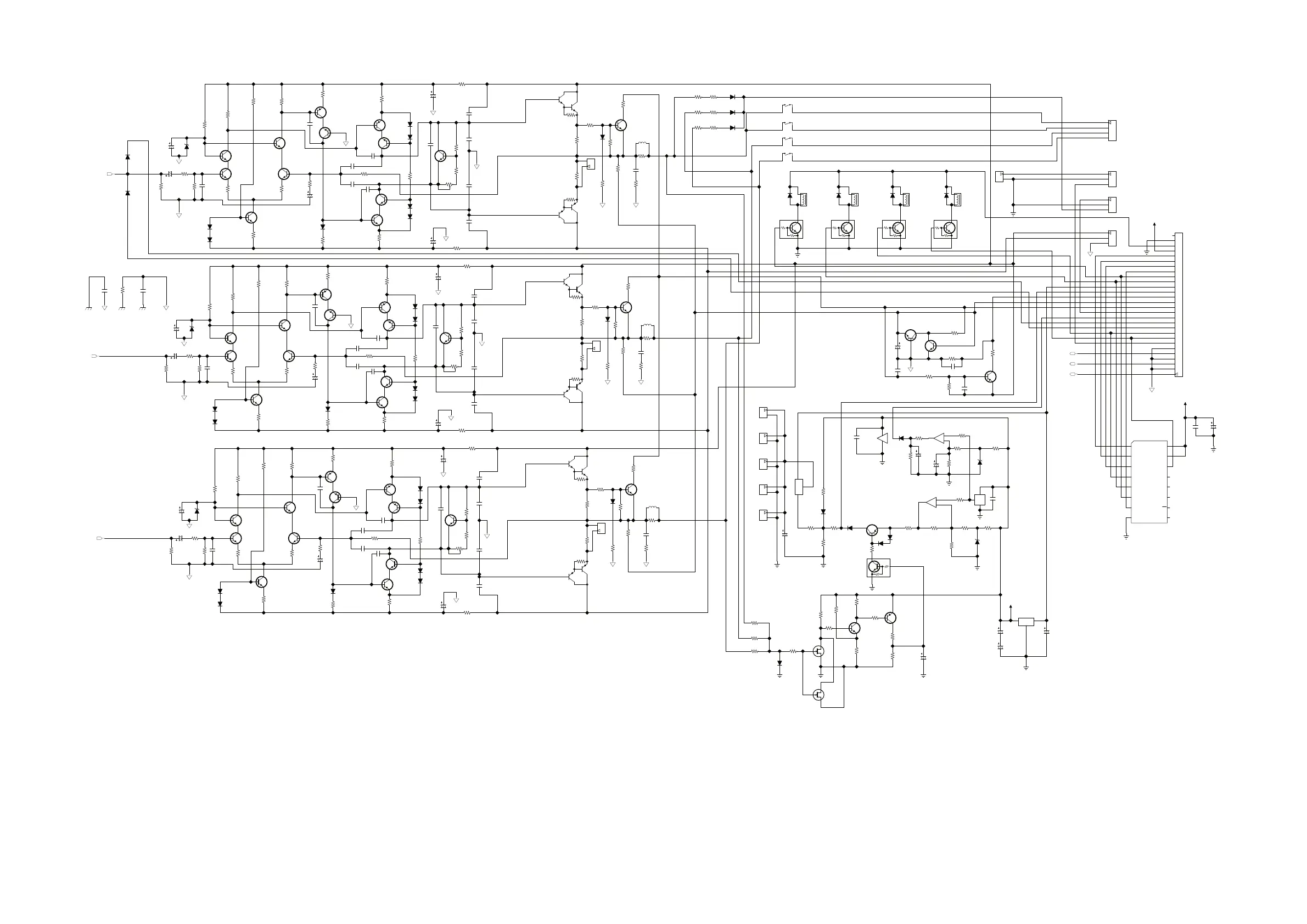
POWER AMPLIFIER LEFT-CH
Production runs:
T78T775G00511 and above

Other manuals for NAD T 775

Related product manuals