EasyManua.ls Logo

NAD T 775 - Page 61

NAD T 775
129 pages
Print Icon
To Next Page IconTo Next Page
To Next Page IconTo Next Page
To Previous Page IconTo Previous Page
To Previous Page IconTo Previous Page
Loading...
59
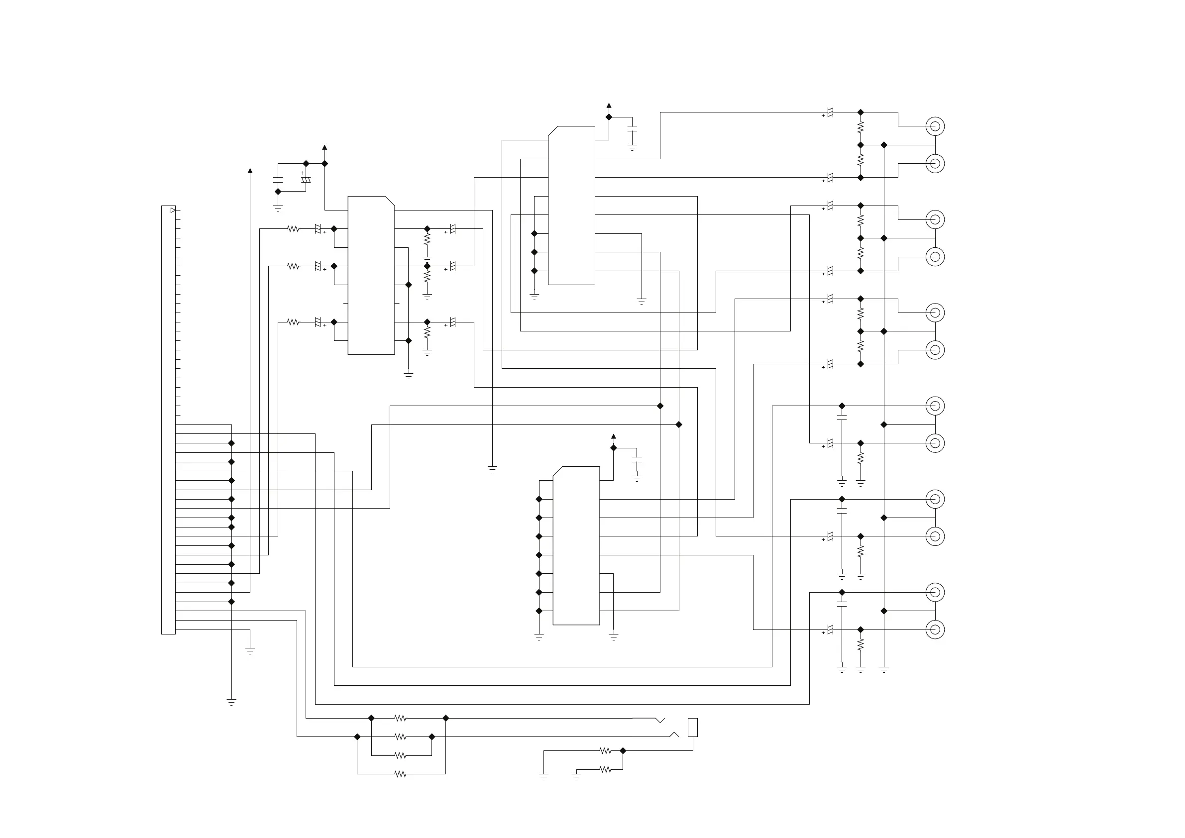
COMPONENT VIDEO
DVR IN Y
SAT IN Y
SAT IN Cb
DVR IN Cb
DVR IN Cr
SAT IN Cr
DVD IN Cr
COMPONENT OUT Cr
COMPONENT OUT Cb
DVD IN Cb
DVD IN Y
COMPONENT OUT Y
(NOTE 1) C4003 - C4005: 1000u for T175/T775/T785
(NOTE 1)
(NOTE 1)
(NOTE 1)
(NOTE 2)
(NOTE 2)
(NOTE 2)
(NOTE 2) C4020 - C4022: N.I. for T175/T775/T785
1
2
3
M4011-A
4
5
6
M4011-B
7
8
9
M4011-C
1
2
3
M4012-A
4
5
6
M4012-B
7
8
9
M4012-C
R4011
75
R4012
75
C4011
2.2u 50V
C4012
2.2u 50V
C4014
2.2u 50V
C4013
2.2u 50V
R4014
75
R4013
75
R4015
75
R4016
75
C4015
2.2u 50V
C4016
2.2u 50V
C4017
2.2u 50V
R4017
75
R4018
75
C4018
2.2u 50V
R4019
75
C4019
2.2u 50V
1
Y0
2
Y2
3
Y
4
Y3
5
Y1
6
ENABLE
7
VEE
8
GND
9
B
10
A
11
X3
12
X0
13
X
14
X1
15
X2
16
VCC
U4002
74HC4052
C4009
0.1u
C4010
0.1u
1
Y0
2
Y2
3
Y
4
Y3
5
Y1
6
ENABLE
7
VEE
8
GND
9
B
10
A
11
X3
12
X0
13
X
14
X1
15
X2
16
VCC
U4003
74HC4052
1
MUTE
2
INA
3
GNDA
4
INB
5
GNDB
6
7
INC
8
GND
9
OUTC2
10
OUTC1
11
12
OUTB2
13
OUTB1
14
OUTA2
15
OUTA1
16
VCC
U4001
BA7660FS
C4001
0.1u
C4002
2.2u
50V
C4006
10u 16V
C4007
10u 16V
C4008
10u 16V
R4004
470k
R4005
470k
R4006
470k
C4003
100u10V
C4004
100u10V
C4005
100u10V
R4001
75
R4002
75
R4003
75
1
2
3
4
5
6
7
8
9
10
11
12
13
14
15
16
17
18
19
20
21
22
23
24
25
26
27
28
29
30
31
32
33
34
35
36
37
38
39
40
41
42
43
44
45
46
J4001A
To Conn#1 J4001B
1
2
3
M4001
iPod Connector
R4021 0
R4022 N.I.
R4023 0
R4024 0
R4025 N.I.
R4026 N.I.
C4020
220p
C4021
220p
C4022
220p
VGND
VGND
VGND
VGND
+5V_V
VGND
VGND
VGND
VGND
+5V_V
VGND
VGND
+5V_V
VGND
4052_A
4052_B
4052_A
4052_B
G_MON_OUT
B_MON_OUT
R_MON_OUT
+5V_V
VGND
VGND
VGND
VGND
VGND
VGND
R_MON_OUT
VGND
B_MON_OUT
VGND
G_MON_OUT
VGND
4052_B
VGND
4052_A
VGND
VGND
CR_HDMI
VGND
CB_HDMI
VGND
Y_HDMI
VGND
+5V_V
VGND
VGND
VGND
DGND
DGND
IPOD+
IPOD-
VGND
VGND
VGND

Other manuals for NAD T 775

Related product manuals