EasyManua.ls Logo

National Instruments NI USB-621x - Using Non-Referenced Single-Ended (NRSE) Connections for Ground-Referenced Signal Sources

National Instruments NI USB-621x
178 pages
Print Icon
To Next Page IconTo Next Page
To Next Page IconTo Next Page
To Previous Page IconTo Previous Page
To Previous Page IconTo Previous Page
Loading...
Chapter 5 Connecting AI Signals on the USB-6210/6211 Devices
© National Instruments Corporation 5-13 NI USB-621x User Manual
Using Non-Referenced Single-Ended (NRSE) Connections for
Ground-Referenced Signal Sources
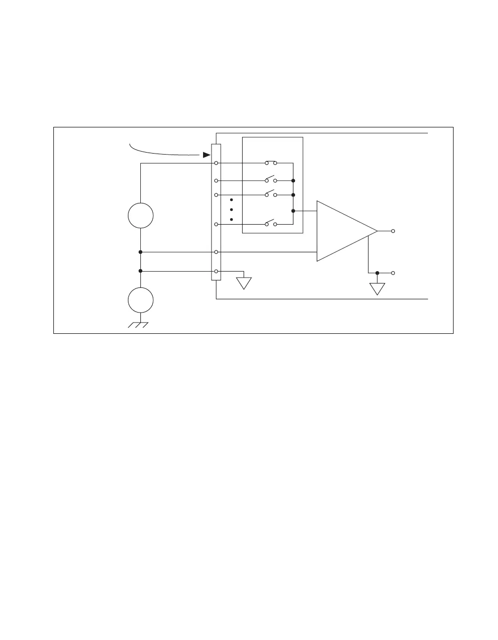
Figure 5-8 shows how to connect ground-reference signal sources to the
USB-6210/6211 device in NRSE mode.
Figure 5-8. Single-Ended Connections for Ground-Referenced Signal Sources
(NRSE Configuration)
AI+ and AI– must both remain within ±11 V of AI GND.
To measure a single-ended, ground-referenced signal source, you must use
the NRSE ground-reference setting. Connect the signal to one of
AI <0..31> and connect the signal local ground reference to AI SENSE.
AI SENSE is internally connected to the negative input of the NI-PGIA.
Therefore, the ground point of the signal connects to the negative input of
the NI-PGIA.
Any potential difference between the device ground and the signal ground
appears as a common-mode signal at both the positive and negative inputs
of the NI-PGIA, and this difference is rejected by the amplifier. If the input
circuitry of a device were referenced to ground, as it is in the RSE
ground-reference setting, this difference in ground potentials would appear
as an error in the measured voltage.
Using the DAQ Assistant, you can configure the channels for RSE or NRSE
input modes. Refer to the Configuring AI Ground-Reference Settings in
Software section of Chapter 4, Analog Input, for more information about
the DAQ Assistant.
M Series Device Configured in NRSE Mode
Common-
Mode
Noise
and Ground
Potential
Ground-
Referenced
Signal
Source
PGIA
Input Multiplexers
+
+
V
s
V
cm
I/O Connector
AI GND
AI SENSE
AI <0..15>
or AI <16..
n
>
+
Instrumentation
Amplifier
Measured
Voltage
V
m
+

Table of Contents

Related product manuals