EasyManua.ls Logo

Nibe Fighter 1210 - Wiring Diagrams

Nibe Fighter 1210
40 pages
Print Icon
To Next Page IconTo Next Page
To Next Page IconTo Next Page
To Previous Page IconTo Previous Page
To Previous Page IconTo Previous Page
Loading...
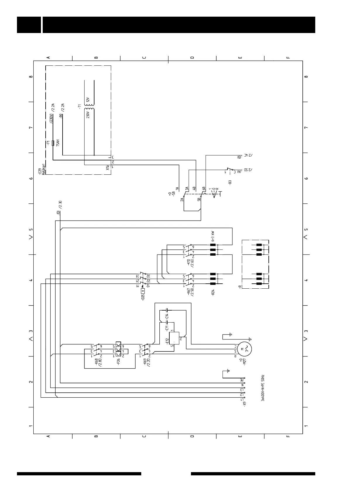
Electrical diagram 4 kW
FIGHTER 1210
For the Installer
26
Sheet 1 (2)
Compressor
Relay card
Connected output 3 kW on delivery
Immersion heater

Table of Contents

Related product manuals