EasyManua.ls Logo

Nilfisk-Advance Advance SC250

Nilfisk-Advance Advance SC250
68 pages
To Next Page IconTo Next Page
To Next Page IconTo Next Page
To Previous Page IconTo Previous Page
To Previous Page IconTo Previous Page
Loading...
FRANÇAIS INSTRUCTIONS D’UTILISATION
8 SC250 - 9100001616
07/2016
ACCESSOIRES / OPTIONS
Outre les composants présents dans le modèle standard, la machine peut être équipée des accessoires optionnels suivants, selon
l’emploi spécique de la machine :
Brosse cylindrique SOFT NYLON BLACK
Brosse cylindrique MEDIUM NYLON WHITE
Brosse cylindrique HARD GRIT 120 GREY
Brosse cylindrique MICROFIBRE
Kit batterie + chargeur de batterie
Pour de plus amples informations relatives aux accessoires optionnels susmentionnés, s’adresser au revendeur agréé.
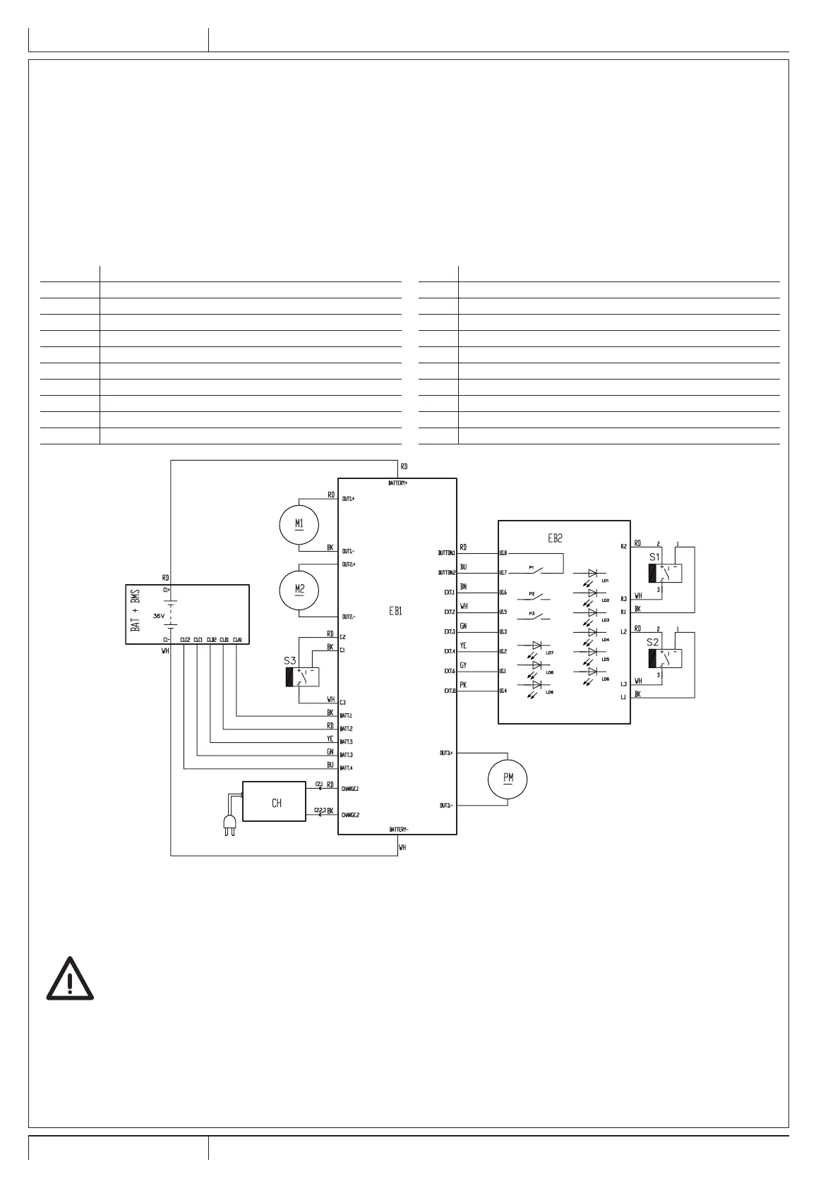
SCHÉMA ÉLECTRIQUE
Légende
BAT+BMS Batterie lithium + Système de contrôle
C1 Connecteur de batterie
CH Chargeur de batterie
EB1 Carte électronique de fonctions
EB2 Carte électronique afcheur
M1 Moteur brosse
M2 Moteur d’aspiration
PM Pompe de solution
S1 Capteur de poignée (droite)
S2 Capteur de poignée (gauche)
S3 Capteur de présence de solution détergente
Codes des couleurs
BK Noir
BU Bleu
BN Marron
GN Vert
GY Gris
OG Orange
PK Rose
RD Rouge
VT Violet
WH Blanc
YE Jaune
P100931
UTILISATION/FONCTIONNEMENT
CONTRÔLE / PRÉPARATION SUR UNE MACHINE NEUVE
ATTENTION !
Les composants électriques de la machine peuvent être sérieusement endommagés si la batterie n’est pas
installée correctement. Contrôler la batterie avant l’installation pour vérier qu’elle ne soit pas endommagée.
1. Monter la batterie (27), la brosse cylindrique (18) et les barres des embouchures (20) tel qu’indiqué dans la documentation
placée dans l’emballage de la machine.
2. Lors de la première utilisation de la machine, effectuer un cycle de recharge complet de la batterie (voir la procédure dans le
chapitre Entretien).
9100001616(1)07-2016.indb 8 20/07/2016 11:12:33

Table of Contents

Other manuals for Nilfisk-Advance Advance SC250

Related product manuals