EasyManua.ls Logo

Nilfisk-Advance Advance SC250

Nilfisk-Advance Advance SC250
68 pages
To Next Page IconTo Next Page
To Next Page IconTo Next Page
To Previous Page IconTo Previous Page
To Previous Page IconTo Previous Page
Loading...
PORTUGUÊS INSTRUÇÕES DE USO
8 SC250 - 9100001616
07/2016
ACESSÓRIOS / OPCIONAIS
Além dos componentes existentes na versão padrão, a máquina pode ser equipada com os seguintes acessórios/opcionais, com
base na utilização especíca da mesma:
Escova com rolo SOFT NYLON BLACK
Escova com rolo MEDIUM NYLON WHITE
Escova com rolo HARD GRIT 120 GREY
Escova com rolo MICROFIBRA
Kit bateria + carregador de baterias
Para mais informações relativas aos acessórios opcionais acima indicados, consulte o seu revendedor habitual.
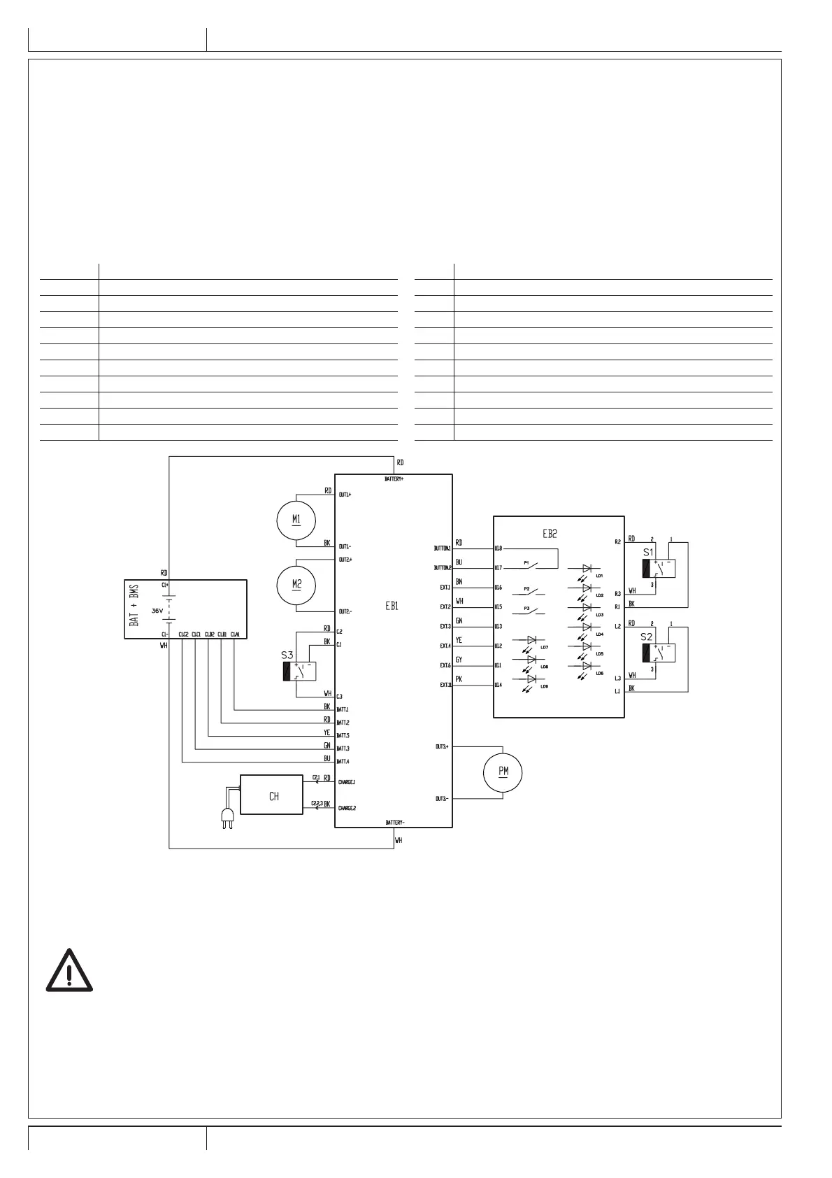
DIAGRAMA ELÉTRICO
Legenda
BAT+BMS Bateria de Lítio + Sistema de controlo
C1 Conector da bateria
CH Carregador de baterias
EB1 Placa de funções
EB2 Placa de ecrã
M1 Motor escova
M2 Motor de aspiração
PM Bomba solução detergente
S1 Sensor manípulo (direito)
S2 Sensor manípulo (esquerdo)
S3 Sensor presença da solução detergente
Código das cores
BK Preto
BU Azul-claro
BN Castanho
GN Verde
GY Cinzento
OG Cor de laranja
PK Rosa
RD Vermelho
VT Roxo
WH Branco
YE Amarelo
P100931
UTILIZAÇÃO/FUNCIONAMENTO
CONTROLO/PREPARAÇÃO NUMA MAQUINA NOVA
ATENÇÃO!
Os componentes eléctricos desta máquina podem sofrer danos graves se a bateria não for instalada
corretamente. Inspecione a bateria antes da instalação para vericar que não esteja danicada.
1. Monte a bateria (27), a escova com rolo (18) e as barras limpadoras (20) como indicado na folha de instruções situada no
interior da embalagem da máquina.
2. Na primeira utilização da máquina, realize um ciclo completo de recarregamento da bateria (ver procedimento no capítulo da
Manutenção).
9100001616(1)07-2016.indb 8 20/07/2016 11:12:42

Table of Contents

Other manuals for Nilfisk-Advance Advance SC250

Related product manuals