EasyManua.ls Logo

NMC-WOLLARD MB-4 200-DF - Engine (1 of 2)

NMC-WOLLARD MB-4 200-DF
321 pages
Print Icon
To Next Page IconTo Next Page
To Next Page IconTo Next Page
To Previous Page IconTo Previous Page
To Previous Page IconTo Previous Page
Loading...
PAGE 10-44
JANUARY 02, 2003
M200 MB4 Tow Tractor Manual No. 42975
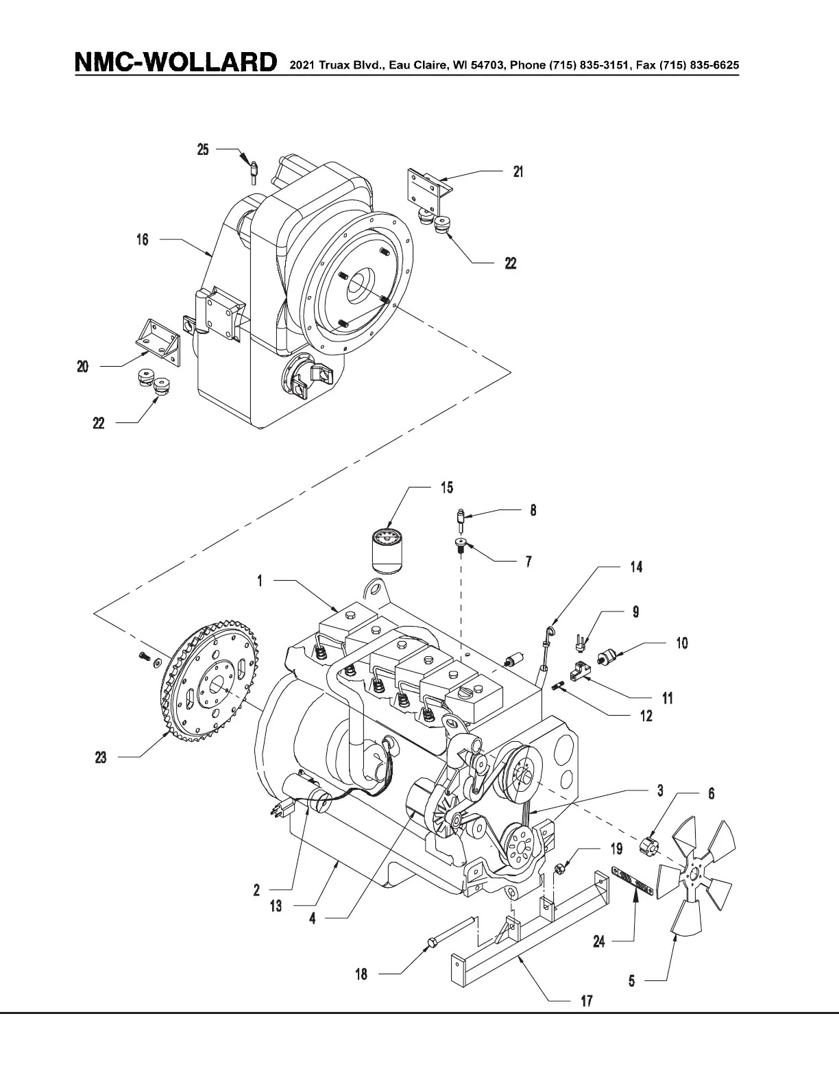
ENGINE (1 OF 2)

Table of Contents

Related product manuals