EasyManua.ls Logo

Nobles Frontier 608549 - Brush Housing Group Parts

Default Icon
25 pages
Print Icon
To Next Page IconTo Next Page
To Next Page IconTo Next Page
To Previous Page IconTo Previous Page
To Previous Page IconTo Previous Page
Loading...
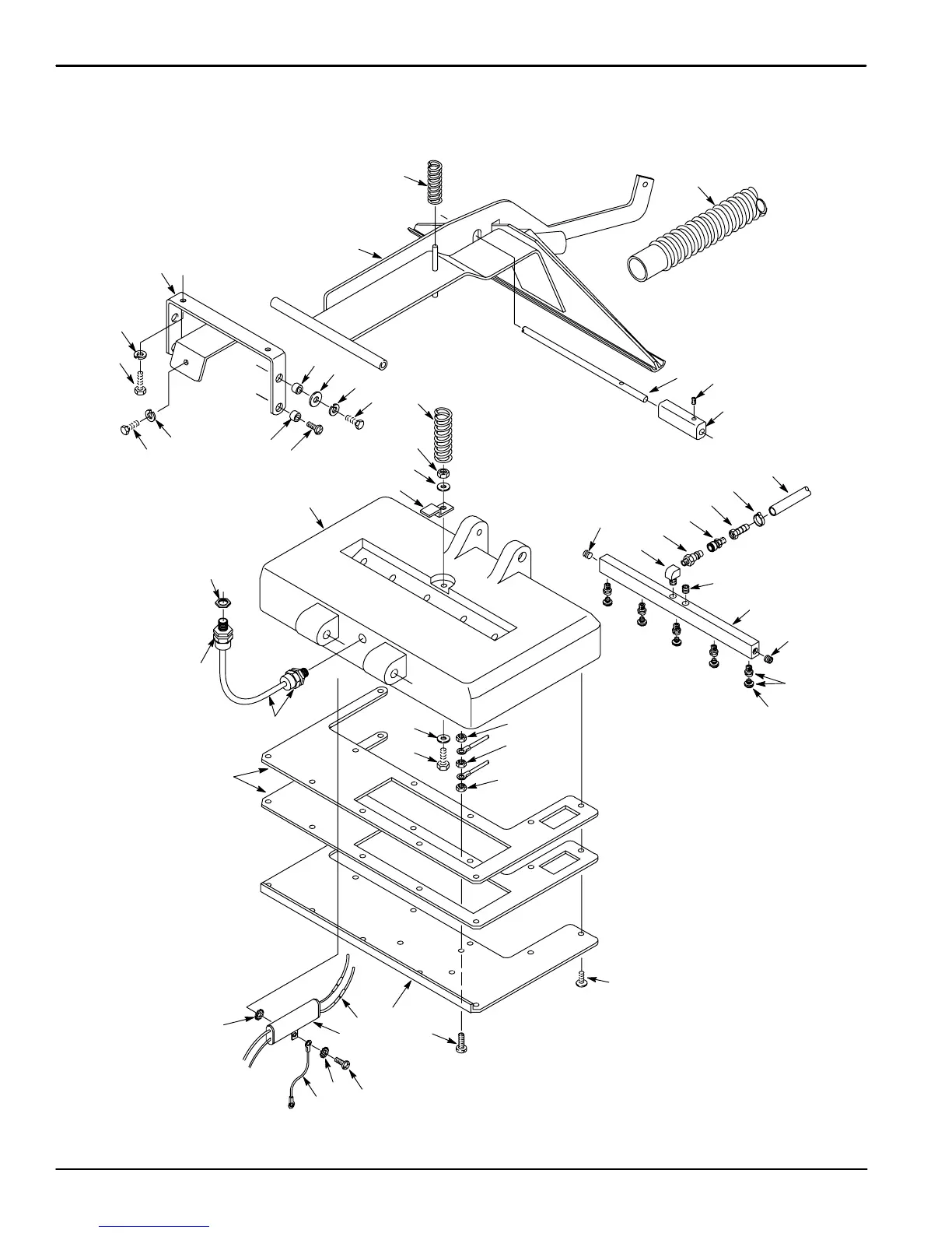
PARTS LIST
LISTA DE PIEZAS
28
Frontier Carpet Extractor (0601)
BRUSH HOUSING GROUP
GRUPO DEL BASTIDOR DEL CEPILLO
7
39
1
4
10
8
36
5
12
11
13
35
27
34
33
31
30
32
28
27
26
25
29
29
15
20
21
22
14
14
14
23
18
24
37
6
3
38
2
2
38
16
17
29
9
44
41
44
42
43
40
19

Related product manuals