EasyManua.ls Logo

Norcold N611v - Schéma de Câblage

Norcold N611v
44 pages
Print Icon
To Next Page IconTo Next Page
To Next Page IconTo Next Page
To Previous Page IconTo Previous Page
To Previous Page IconTo Previous Page
Loading...
Manuel de d’installation et l’utilisation 9
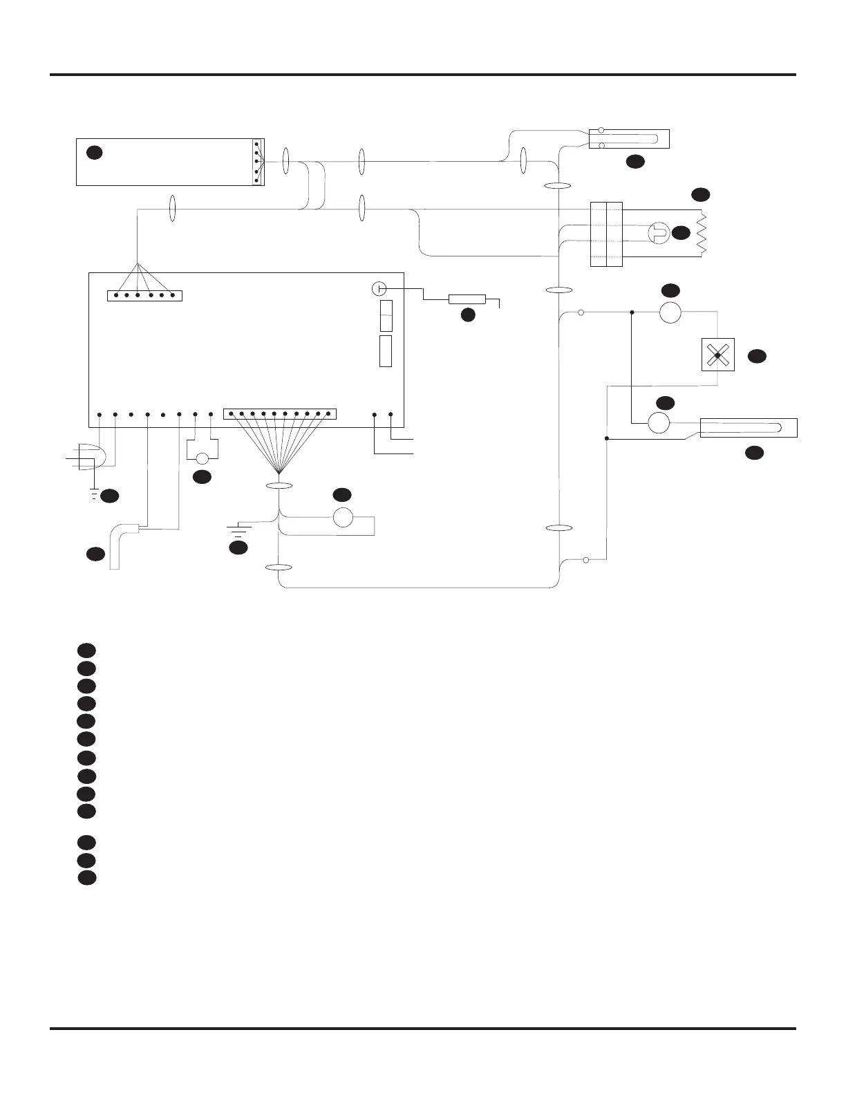
Schéma de câblage
+12VDC/VCD
-12VDC/VCD
K
AC HEATER / ÉLÉMENT CHAUFFANT CA
LIGHT / LAMPE
THERMISTOR / THERMISTANCE
GAS VALVE / ROBINET DE GAZ
IGNITER / ALLUMEUR
DIVIDER HEATER / ELEMENT DE CLOISON
TEMPERATURE SWITCH / INTERRUPTRUR DE TEMPÉRATURE
TEMPERATURE SWITCH / INTERRUPTRUR DE TEMPÉRATURE
FAN / VENTILATEUR
IM WATER LINE HEATER / CHAUFFERETTE DU YUYAU D’EAU
DE LA MACHINE À GLAÇONS
CHASSIS GROUND / MASSE DU CHASSIS
DOOR SWITCH / CONTACTEUR DE PORTE
B
A
M
L
K
J
I
H
G
F
E
D
C
*
*
*
*
TEMPERATURE SWITCH / INTERRUPTRUR DE TEMPÉRATURE
L1
L2
P1
5
POWER BOARD/ PANNEAU D’ALIMENTATION
4
P2
T1
5 AMP
AC_HT_HI_2
LIMIT_IN
LIMIT_OUT
AC_HT_LO
AC_HT_HI
AC_HT_LO_2
GND
12VDC
10
7
6 1
10
1
3
2
5
1
1
1
2
3
6
1
8 AMP
F2
F1
DISPLAY BOARD/CARTE D’AFFICHAGE
B
A
L
F
D
C
I
*
J
*
H
*
G
*
M
E
*
*
*
*
*
*
*
*
*
*
*
OPTIONAL / EN OPTION
K
Art02409

Table of Contents

Related product manuals