EasyManua.ls Logo

NUM 1020 M - Page 37

NUM 1020 M
388 pages
Print Icon
To Next Page IconTo Next Page
To Next Page IconTo Next Page
To Previous Page IconTo Previous Page
To Previous Page IconTo Previous Page
Loading...
en-938821/2 2 - 5
Product Presentation
2
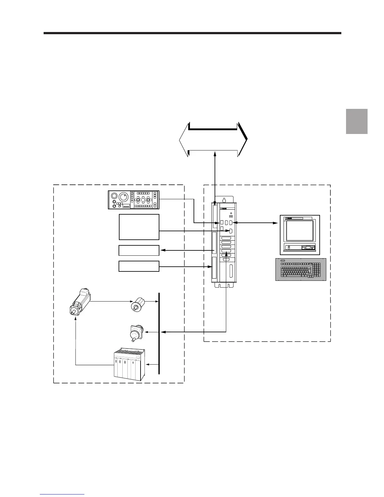
2.1.2.2 NUM 1020, 1040 and 1050 with FTP40 PC Panel
The following diagram illustrates the links between the CNC, the machine and the peripherals for a NUM 1020, 1040
or 1050 system with FTP40 PC panel.
External
interrupts
(measurement
probes)
Sensors
Actuators
Serial line
NUM 1020, 1040
or 1050 CNC
Servo-drive
Motor
Movement
sensor
Additional
handwheels
Axes
MACHINE
INDUSTRIAL NETWORKS
• UNI-TELWAY
• FIPWAY
FTP40 PC panel
and keyboard

Table of Contents

Related product manuals