EasyManua.ls Logo

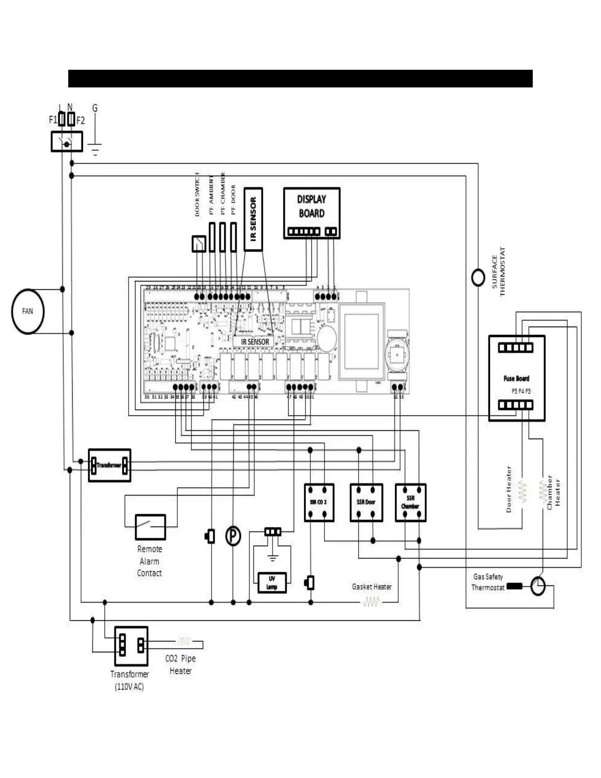
NUVE EC 160 - ELECTRICAL CIRCUIT DIAGRAM

Default Icon
33 pages
Print Icon
To Previous Page IconTo Previous Page
To Previous Page IconTo Previous Page
Loading...
33
11. ELECTRICAL CIRCUIT DIAGRAM

Related product manuals