EasyManua.ls Logo

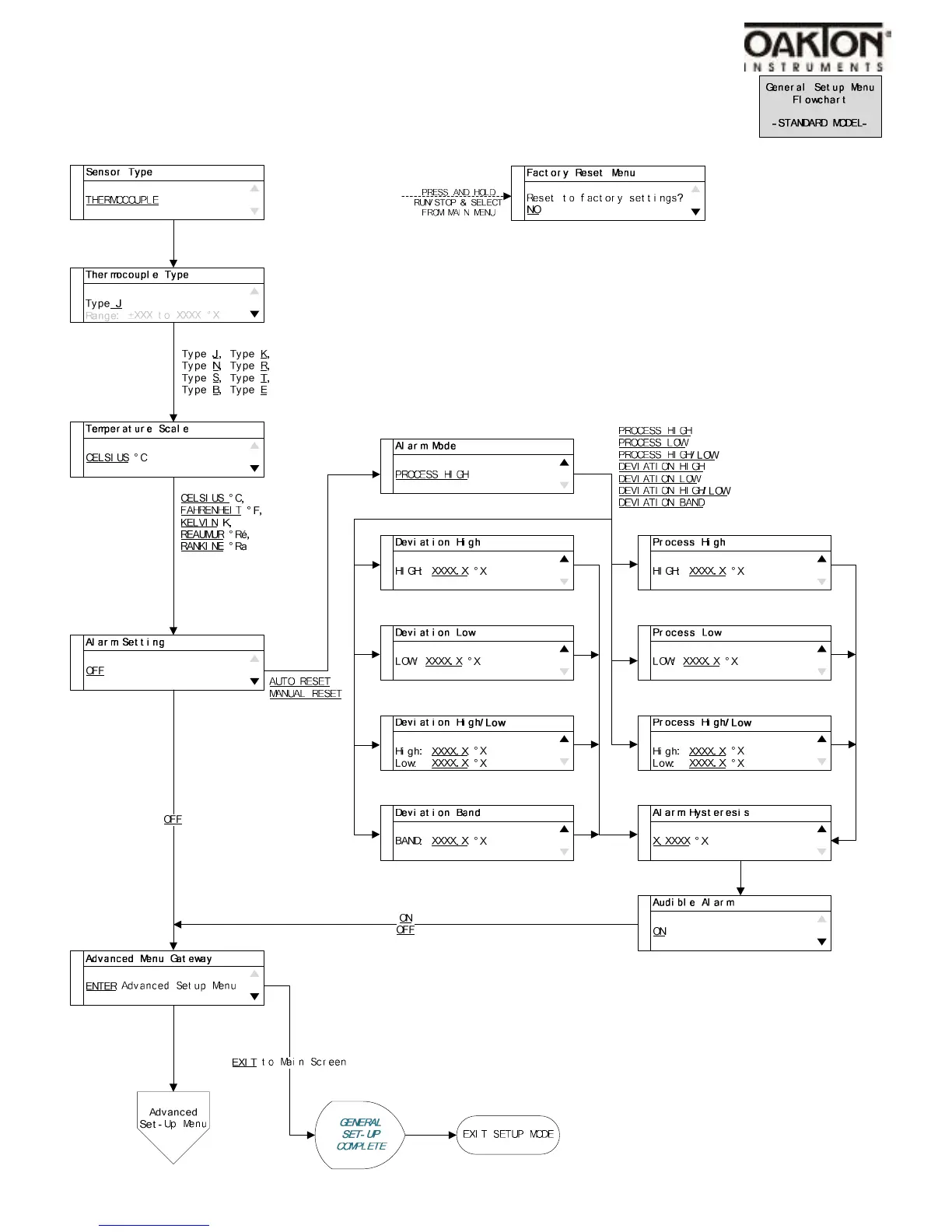
Oakton TEMP 9000 - General Setup Flow Chart

Oakton TEMP 9000
25 pages
Print Icon
To Next Page IconTo Next Page
To Next Page IconTo Next Page
To Previous Page IconTo Previous Page
To Previous Page IconTo Previous Page
Loading...
16