EasyManua.ls Logo

Olimpia splendid B0873 - Para Conexões Com Termóstato de Parede Modelo B0151

Olimpia splendid B0873
Print Icon
To Next Page IconTo Next Page
To Next Page IconTo Next Page
To Previous Page IconTo Previous Page
To Previous Page IconTo Previous Page
Loading...
Bi2 Air AR
N
L
H20
B0151
+V10-
H2O
CFG
N
230V
50Hz
F
Y1
S1
J1
M1
LOCK
FANCOIL
LED
SW1
M2
H2O
*
*
*
H
PORTOGUÊS
PT - 17
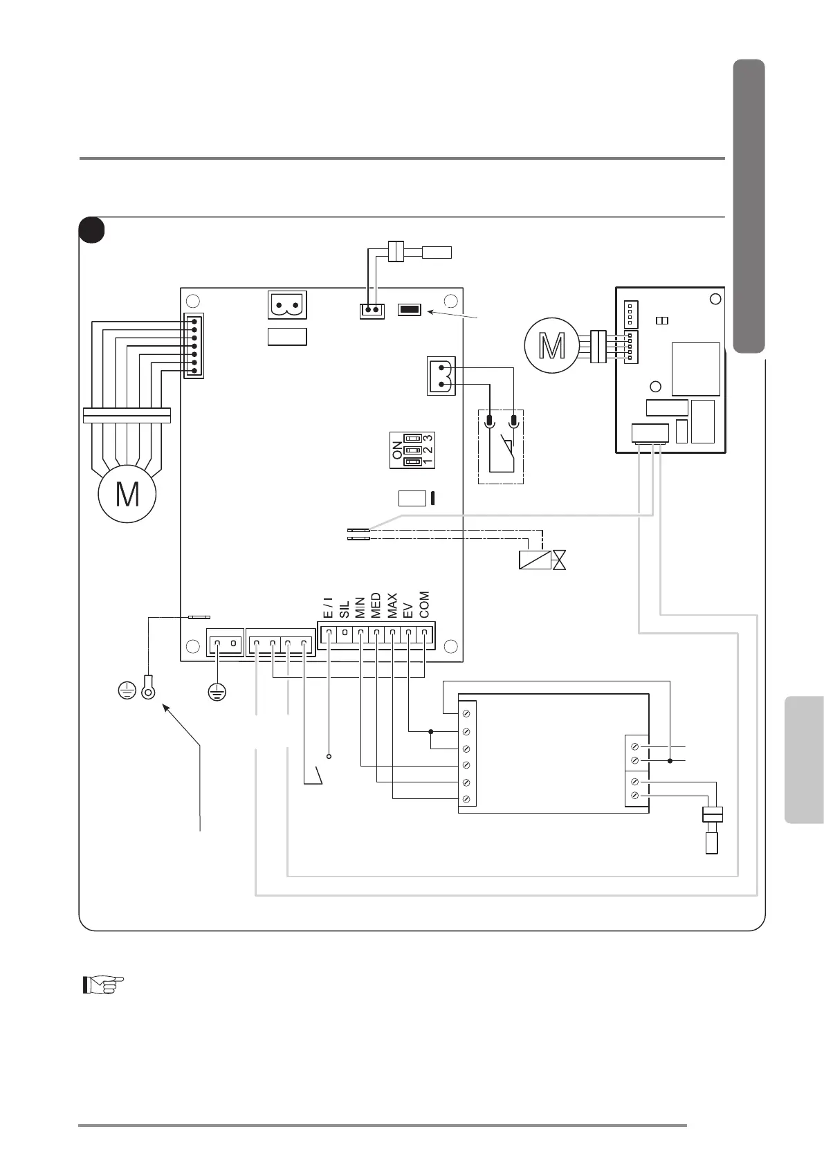
6.2 - Para conexões com termóstato de parede modelo B0151
COM FLAP
Para a ligação à terra do
ventiloconvector
Aberto
Para a legenda do terminal e dos alarmes: consulte a página 18

Table of Contents