EasyManua.ls Logo

Olimpia splendid B0873 - Gestion du Ventilo-Convecteur Avec Moteur DCà Travers un Thermostat 4 Vitesses (J1 - Ouvert)

Olimpia splendid B0873
Print Icon
To Next Page IconTo Next Page
To Next Page IconTo Next Page
To Previous Page IconTo Previous Page
To Previous Page IconTo Previous Page
Loading...
Bi2 Air AR
CVSV
E
+V10-
H2O
H2O
CFG
N
230V
50Hz
F
Y1
S1
J1
M1
M2
LOCK
FANCOIL
LED
SW1
MOUNT
SEL1
SEL2
*
E
FRANÇAIS
FR - 13
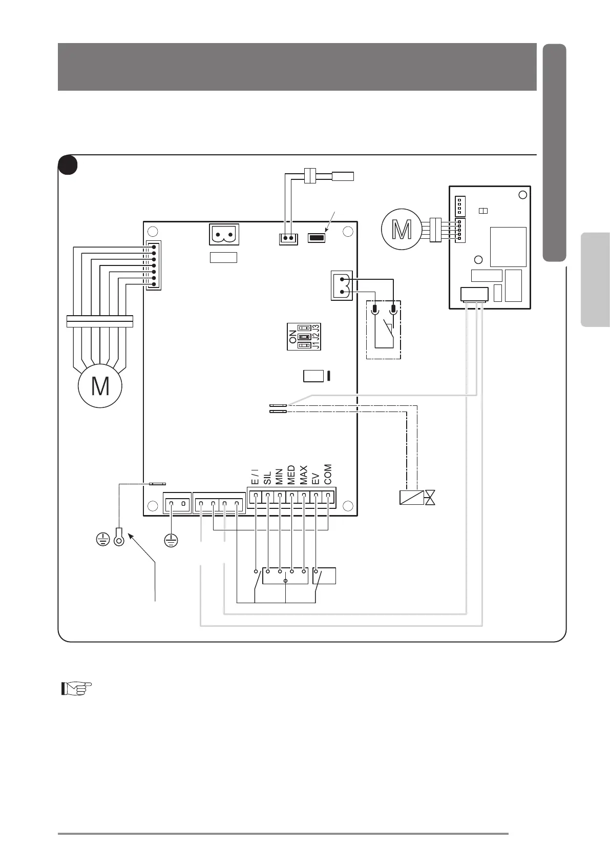
4 - GESTION DU VENTILO-CONVECTEUR AVEC MOTEUR DC À TRAVERS UN
THERMOSTAT 4 VITESSES (J1 - OUVERT)
À la connexion à la terre
du ventilo-convecteur
Ouvert
Pour la légende du bornier et des alarmes : voir page 18
AVEC DÉFLECTEUR

Table of Contents