EasyManua.ls Logo

Olimpia splendid B0873 - 4 Beheer Ventilatorconvector Met DC-Motor Middels Thermostaat Met 4 Snelheden (J1 - Open)

Olimpia splendid B0873
Print Icon
To Next Page IconTo Next Page
To Next Page IconTo Next Page
To Previous Page IconTo Previous Page
To Previous Page IconTo Previous Page
Loading...
Bi2 Air AR
CVSV
E
+V10-
H2O
H2O
CFG
N
230V
50Hz
F
Y1
S1
J1
M1
M2
LOCK
FANCOIL
LED
SW1
MOUNT
SEL1
SEL2
*
E
NEDERLANDS
NL - 13
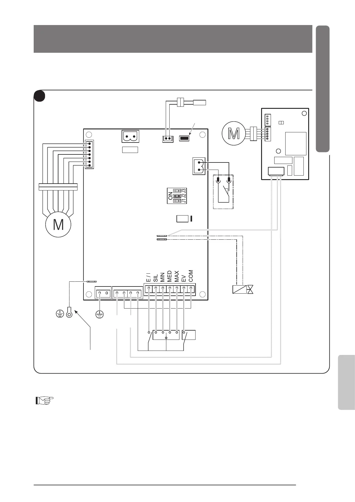
4 - BEHEER VENTILATORCONVECTOR MET DC-MOTOR MIDDELS
THERMOSTAAT MET 4 SNELHEDEN (J1 - OPEN)
MET FLAP
Bij de aarding van de
ventilatorconvector
Open
Voor de legenda van het klemmenbord en de alarmen: zie pagina 18

Table of Contents