EasyManua.ls Logo

Olimpia splendid B0873 - Pour Raccordements Avec Thermostat Mural Modèle B0151

Olimpia splendid B0873
Print Icon
To Next Page IconTo Next Page
To Next Page IconTo Next Page
To Previous Page IconTo Previous Page
To Previous Page IconTo Previous Page
Loading...
Bi2 Air AR
N
L
H20
B0151
+V10-
H2O
CFG
N
230V
50Hz
F
Y1
S1
J1
M1
LOCK
FANCOIL
LED
SW1
M2
H2O
*
*
*
H
FRANÇAIS
FR - 17
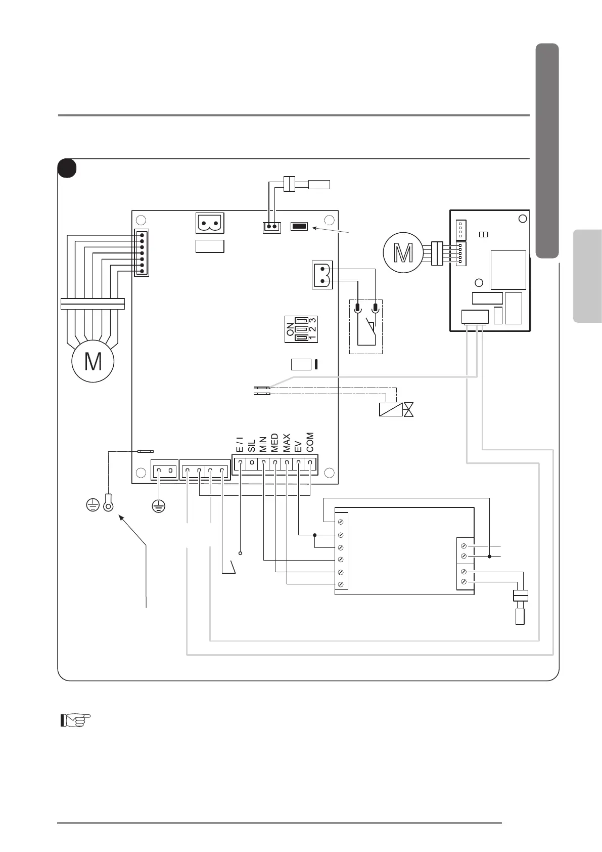
À la connexion à la terre
du ventilo-convecteur
6.2 - Pour les raccordements avec thermostat mural modèle B0151
Ouvert
Pour la légende du bornier et des alarmes : voir page 18
AVEC DÉFLECTEUR

Table of Contents