EasyManua.ls Logo

Olimpia splendid B0873 - Voor Verbindingen Met Thermostaat Op de Muur Model B0151

Olimpia splendid B0873
Print Icon
To Next Page IconTo Next Page
To Next Page IconTo Next Page
To Previous Page IconTo Previous Page
To Previous Page IconTo Previous Page
Loading...
Bi2 Air AR
N
L
H20
B0151
+V10-
H2O
CFG
N
230V
50Hz
F
Y1
S1
J1
M1
LOCK
FANCOIL
LED
SW1
M2
H2O
*
*
*
H
NEDERLANDS
NL - 17
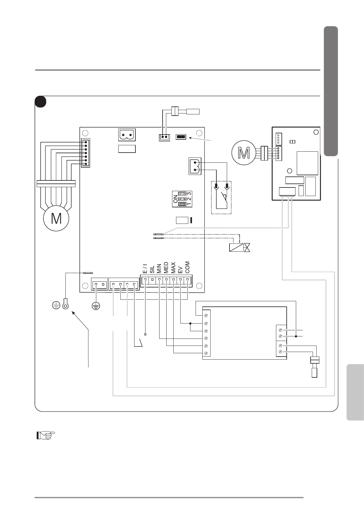
6.2 - Voor verbindingen met thermostaat op de muur model B0151
MET FLAP
Bij de aarding van de
ventilatorconvector
Open
Voor de legenda van het klemmenbord en de alarmen: zie pagina 18

Table of Contents